香港 - 標誌 香港

請確認您的貨幣選擇:

港幣
國際貿易術語:貨交承運人(裝運地點)
關稅、海關手續費和貨物服務稅在交貨時收取。
大多數訂單滿HK$330 (HKD)即可免運費

美元
國際貿易術語:貨交承運人(裝運地點)
關稅、海關手續費和貨物服務稅在交貨時收取。
大多數訂單滿$50 (USD)即可免運費

Bench Talk for Design Engineers

Bench Talk

rss

Bench Talk for Design Engineers | The Official Blog of Mouser Electronics


Auto ADAS Power a Hot Growth Area with Benefits for All Designers Bill Schweber

Today’s cars are loaded with advanced driver-assistance systems (ADASs) such as lane-departure warnings, adaptive braking, rollover prevention, Global Positioning System (GPS)-based and inertial navigation systems, and backup cameras, to cite just a few available functions. These are becoming standard on an increasing number of cars due to regulatory mandates as well as marketing “feature creep” and user preferences.

Regardless of the impetus, ADAS functions get a lot of attention, and they should: They represent an amazing amount of electronic circuitry (and software) packed into a limited space, under demanding environmental conditions. The sensors at the core of many of these ADAS functions, such as accelerometers, radar front ends, and video imagers, also receive a lot of deserved attention, of course.

But there’s one aspect of the ADAS functionality that’s without glamour and associated visibility—that is, the powering of these functions, which is significantly challenging in itself. Cars are harsh environments where, in extremes of hot and cold, a battery-based direct current (DC) rail can spike to 40V and higher (i.e., load dump) while cold-cranking can drop that same rail down to 4V. Likewise, there are space constraints, vibration issues, and more. ADAS power integrated circuits (ICs) must not only survive these harsh environments, but they must also function during most of these extremes.

Adding to the challenges is the requirement for low quiescent current, with a target of under 100µA per each ADAS module. It seems strange to insist on such a low quiescent current when a DC rail is a battery that is rated at around 100A-hrs. However, the requirement has little to do with the car when it is running. Instead, it has to do with the fact that all these ADAS functions are still connected, albeit in quiescent state, even when the car is apparently “off”—yet that’s a soft on/off, and most of the ADAS circuits are still drawing some power. Car owners will not be happy if they leave a vehicle unused for a week or two and come back to find their battery drained by all these current vampires. Overall, the many demands on these ADAS power ICs add up to a tough mission: There’s no question about it!

Although the ADAS features get all the attention, IC vendors know that there are one or more power-related ICs making each feature possible; after all, without a suitable DC rail, an ADAS feature isn’t going to exist. Designing and selling ADAS-related power ICs could be a very good business with high volume and reasonably long product lifetimes. That’s why we’re seeing ADAS-optimized, power-related ICs, such as buck converters, boost converters, and power management ICs (PMICs), from many of the leading analog and power IC suppliers.

Among the many I have seen recently are:

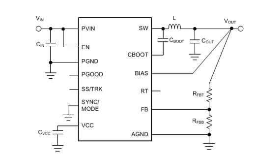
  • Texas Instruments’ LM73605/LM73606 family of synchronous step-down DC/DC converters, delivering up to 5A (LM73605) or 6A (LM73606), from a supply voltage ranging from 3.5 to 36V, along with a shutdown-mode quiescent current of 0.8µA (Figure 1).

Figure 1: Texas Instruments’ LM73605/LM73606 family of synchronous step-down DC/DC converters deliver up to 5A (LM73605) or 6A (LM73606) from a supply voltage ranging from 3.5 to 36V, with a quiescent current of 0.8µA in shutdown mode. (Source: Texas Instruments) 

  • Analog Devices’ ADuM5020 500mW DC/DC converter with a galvanic isolation to 3,000V, an attribute absolutely essential in some special circumstances (Figure 2). (Although its quiescent current is higher, at 5 to 20mA, it is generally used for gate-drive functions where additional quiescent current is allowed in the budget.)

Figure 2: Analog Devices’ ADuM5020 DC/DC converter has a galvanic isolation up to 3,000V. (Source: Analog Devices)

  • Maxim’s MAX20075 ultra-small step-down converter (3 X 3mm) with an extremely low quiescent current (i.e., 3.5µA) and high peak efficiency.

Perhaps right now you’re thinking, “This is all very interesting, but I am not involved at all with ADASs or any other aspect of automotive design. So, why should I care?” Good question, and it has a clear answer. Even if you’re not designing for these applications, there are many other applications that can make use of these power-related ICs because of their unique attributes. For example, Internet of Things (IoT) devices powered by energy-harvesting or limited batteries (although, it seems they all are) can certainly benefit from the low quiescent current, and many industrial applications also operate in harsh electrical, thermal, or vibration environments that can benefit.

Good engineers—and that’s most of them—will do what they’ve always done: They will look around and see what suitable parts (primarily from other applications) they can leverage for their own situation, even if their application versus another application may represent disparate markets or one may lack its own application-optimized devices. Remember to take advantage of these other electronic (as well as mechanical, optical, and even software) products designed for other niches that may also meet many of your design needs.



« Back


Bill Schweber is a contributing writer for Mouser Electronics and an electronics engineer who has written three textbooks on electronic communications systems, as well as hundreds of technical articles, opinion columns, and product features. In past roles, he worked as a technical web-site manager for multiple topic-specific sites for EE Times, as well as both the Executive Editor and Analog Editor at EDN.

At Analog Devices, Inc. (a leading vendor of analog and mixed-signal ICs), Bill was in marketing communications (public relations); as a result, he has been on both sides of the technical PR function, presenting company products, stories, and messages to the media and also as the recipient of these.

Prior to the MarCom role at Analog, Bill was associate editor of their respected technical journal, and also worked in their product marketing and applications engineering groups. Before those roles, Bill was at Instron Corp., doing hands-on analog- and power-circuit design and systems integration for materials-testing machine controls.

He has an MSEE (Univ. of Mass) and BSEE (Columbia Univ.), is a Registered Professional Engineer, and holds an Advanced Class amateur radio license. Bill has also planned, written, and presented on-line courses on a variety of engineering topics, including MOSFET basics, ADC selection, and driving LEDs.


All Authors

Show More Show More
View Blogs by Date

Tags