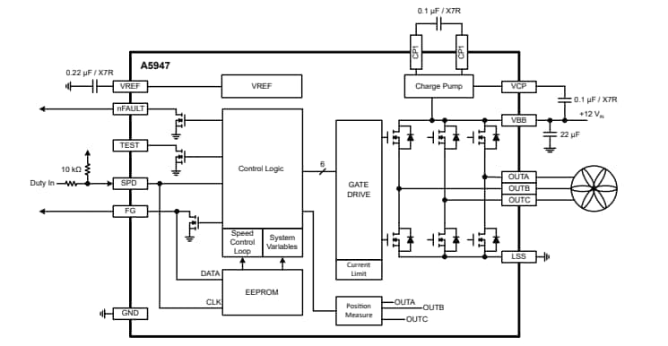
Allegro MicroSystems A5947 Three-Phase Sensorless Fan Driver ICs
Allegro MicroSystems A5947 Three-Phase Sensorless Fan Driver ICs consist of a sensorless sinusoidal drive to minimize vibration for various fan applications. Sensorless control on the device eliminates the need for Hall sensors. The device also integrates a flexible closed-loop speed control system. EEPROM is used to accommodate the standard functions of the fan speed curve to a specific application, excluding the requirement for a microprocessor-based system while minimizing programming requirements.The Allegro MicroSystems A5947 Three-Phase Sensorless Fan Driver ICs are housed in a 20-lead TSSOP with an exposed thermal pad (suffix LP).
Features
- AEC-Q100 qualified
- Speed curve configuration via EEPROM
- I2C serial port
- Sinusoidal modulation for reduced audible noise and low vibration
- Sensorless (no Hall sensors required)
- Low RDS(ON) power MOSFETs
- 3.3V / 20mA linear regulator
- PWM or analog speed input
- FG speed output
- Slew rate control
- Lock detection
- Soft start
- Low power standby mode
- Overcurrent protection
- Overvoltage protection
Typical Application
發佈日期: 2022-06-21
| 更新日期: 2023-09-07
