Analog Devices Inc. AD917x 16位元數位轉類比轉換器
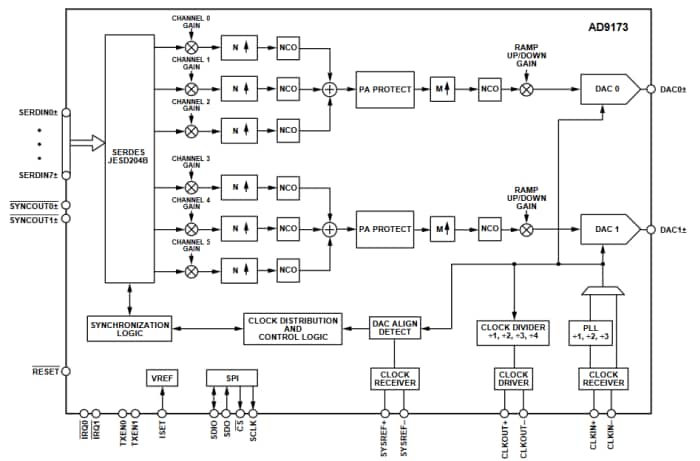
Analog Devices AD917x 16位元數位轉類比轉換器 (DAC) 為支援DAC取樣率最高達12.6 GSPS的雙通道高效能轉換器。AD917x轉換器具備8個通道的15 Gbps JESD204B資料輸入埠,還有一個高效能的內建式DAC時脈乘法器。裝置亦具備數位-訊號處理功能,專為單頻與多頻的直接射頻 (RF) 無線應用所設計。AD917x DAC的每個RF DAC皆具備三個可旁路的複雜資料輸入通道,每個資料輸入通道均包含可設定的增益級、內插過濾器及通道數值控制振盪器 (NCO),適合彈性的多頻帶頻率規劃。特點
- 支援多頻無線應用
- 每個RF DAC具備3個可旁路的複雜資料輸入通道
- 每輸入通道的複雜輸入資料傳輸速率最高達1.54 GSPS
- 每輸入通道含1個獨立NCO
- 專屬低雜散和低失真設計
- 雙音互調失真 (IMD) = −83dBc,1.8GHz,-7dBFS/tone RF輸出
- 無雜散動態範圍 (SFDR) <−80dBc,1.8GHz,-7dBFS RF輸出
- 彈性的8通道,15.4Gbps JESD204B介面
- 支援單頻帶與多頻帶使用案例
- 支援資料傳輸速率更高的12位元高密度模式
- 可選內插過濾器,實現完整的輸入資料傳輸速率組合
- 1×、2×、3×、4×、6×和8×可設定資料通道內插
- 1×、2×、4×、6×、8×和12×可設定最終內插
- 多晶片同步
- 支援JESD204B Subclass 1
- 最終48位元NCO,可用DAC速率運作,支援最高至6 GHz的頻率合成
- 發射啟用功能提供更多省電效率和下游電路保護
- 高效能、低雜訊的PLL時脈乘法器
- 支援12.6 GSPS DAC更新速率
- 觀察用ADC時脈驅動器,提供可選的分頻比
- 低功率
- 雙通道模式12 GSPS下為2.55W
- 10×10 mm,144球BGA_ED,使用金屬強化導熱蓋,0.80 mm間距
應用
- 無線通訊基礎架構
- 多頻基地無線電
- 微波/E頻回程系統
- 儀器、自動測試設備 (ATE)
- 雷達與干擾器
發佈日期: 2018-03-26
| 更新日期: 2023-01-25
