Analog Devices Inc. ADE9178 Energy Management DSP

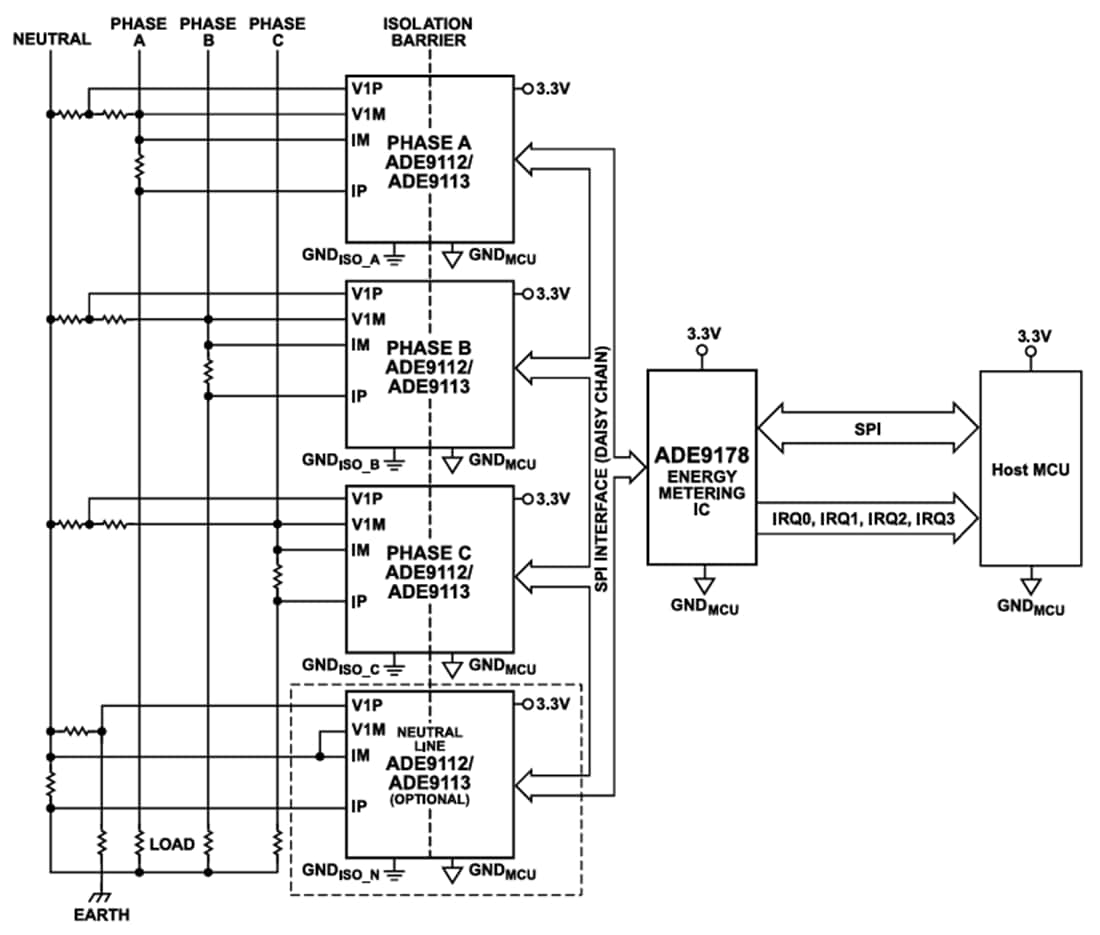
Analog Devices ADE9178 Energy Management DSP is a metrology digital signal processor (DSP) for use with a combination of ADE9113/ADE9112/ADE9103 sigma-delta analog-to-digital converters (ADCs). The ADE9178 is a high-accuracy, 3-phase electrical energy measurement IC primarily for the electric vehicle supply equipment (EVSE) market with the serial peripheral interface (SPI) and two flexible pulse outputs. The ADE9178 can interface with up to four daisy-chained ADE9113/ADE9112/ADE9103 devices through SPI protocol. The ADE9178 incorporates all the signal processing required to perform total active energy, apparent energy measurements, and root mean square (RMS) calculations. A fixed function DSP executes this signal processing. The Analog Devices ADE9178 is available in a 40-lead TQFN-EP package.

Features

  • Metrology chip for use with any combination of the following AFEs
    • ADE9113 (3-channel, isolated, Σ-Δ ADC)
    • ADE9112 (2-channel, isolated, Σ-Δ ADC)
    • ADE9103 (3-channel, non-isolated, Σ-Δ ADC)
  • Can support up to four ADE9113/ADE9112/ADE9103 daisy-chained ADCs through 4-wire SPI (supports up to a total of 12 ADC channels of data)
  • 4-wire SPI for Host MCU communications up to 25MHz
  • Total active energy calculation
  • Class C accuracy (0.5%) supports the following
    • MID 2014/32/EU Annex V
    • EN 50470-1:2006
    • EN 50470-3:2006
    • EN 50470-3:2022
    • IEC 62052-11:2020
    • IEC 62053-21:2020
    • OIML G 22:2022
    • NIST Handbook 44:2023
  • Total apparent energy calculation using filtered RMS
  • Energy accumulation, import, and export for reverse power/vehicle-to-grid (V2G) applications
  • Configurable phase, gain, and offset calibration registers for all ADC channels
  • Basic power quality features
    • Short-duration undervoltage or overvoltage (dip/swell) detection
    • Short-duration undercurrent or overcurrent (dip/swell) detection
    • Line frequency calculation with 10mHz accuracy
    • Angles between phase voltages and currents
    • Power-factor calculation
  • Two configurable calibration frequency (CF) pulse outputs
  • Configurable with no load detection
  • Phase-sequence detection
  • RMS on full cycle, half cycle, and filtered RMS on all ADC channels
  • Supported frequency range of 45Hz to 65Hz
  • Four user-programmable interrupt outputs (IRQs)
  • PEN open fault detection (BS 7671:2018 Amendment 1:2020)
  • Waveform streaming through the UART transmit pin
  • Datapath multiplexing to allow any ADC data to be used for any data processing path
  • Temperature range of −40°C to +105°C
  • Available in 5mm × 5mm, 40-lead TQFN-EP package

Applications

  • Electric vehicle supply equipment
  • Shunt-based polyphase meters
  • Solar inverters
  • Energy and power monitoring

Typical Applications Circuit

Application Circuit Diagram - Analog Devices Inc. ADE9178 Energy Management DSP
發佈日期: 2024-11-08 | 更新日期: 2024-11-18