Analog Devices Inc. ADHV4710 Operational Amplifiers
Analog Devices ADHV4710 Operational Amplifiers are designed for driving up to ±1A at ±1300V/μs into capacitive and resistive loads. The high-voltage, high-power, and high-speed operational amplifiers are ideal for high-voltage applications such as automated test equipment (ATE), programmable power supplies, and piezo drives.The ADI ADHV4710 offers vast configurability for high-voltage signal chains. The amplifier reaches a high slew rate and bandwidth at high gain, but can be configured in low gain for high-voltage input and output. External transconductance resistor RSLEW facilitates stability under any gain and adjustable slew rate. External compensation capacitor CCOMP allows the amplifier output to drive unlimited capacitive loads stably.
Features
- High output capability
- Output voltage range up to ±52V for IOUT = ±100mA
- ±1A continuous high-output current drive
- High slew rate of ±1300V/µs into 1nF load
- Fault protection and monitoring with digitally programmable current, voltage, and thermal shutdown limits
- Design-in friendly
- 80-pin, 12mm x 12mm TQFP package
- EPAD-up package for mountable heatsink
- 80-pin, 12mm x 12mm TQFP package
- ±12V to ±55V wide high voltage supply range
- 12mA low quiescent current
- Extensive configurability
- Unlimited capacitive loads stability with external compensation and output slew limiting
- Stable for any gain and adjustable slew rate with external transconductance RSLEW
- Programmable supply current with shutdown mode
- -40°C to +85°C operating temperature range
Applications
- High voltage power amplifier (PA)
- High voltage SMU/VI source
- High voltage arbitrary waveform generator (AWG)
- Piezoelectric transducer drive
- Programmable power supplies
Large Signal Pulse Response
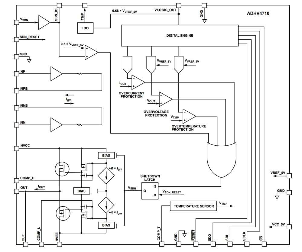
Simplified Functional Block Diagram
FUNCTIONAL BLOCK DIAGRAM
發佈日期: 2025-05-02
| 更新日期: 2025-05-26
