Analog Devices Inc. ADL6012-EVALZ Evaluation Board

Analog Devices Inc. ADL6012-EVALZ Evaluation Board provides a demonstration and development platform for the ADL6012 2GHz to 67GHz Broadband Envelope Detector. The ADL6012 has fast rise/fall time responses, around 1ns, depending on input power levels, with an output envelope bandwidth of 500MHz. The ADL6012-EVALZ provides the basic connections for the RF input signal and the envelope output voltage. Differential envelope outputs on the ADL6012-EVALZ can be directly connected to a high-speed oscilloscope to evaluate the differential envelope tracking capabilities.  

Features

  • Fully featured evaluation board for the ADL6012
  • Specified up to 67GHz
  • 3.15V to 5.25V operation
  • SMA connectors for RF IN, VEH+, and VEH-

Applications

  • Envelope tracking
  • Microwave point-to-point links
  • Microwave instrumentation
  • Military radios
  • Pulse radar receivers
  • Wideband power amplifier linearization

Required Equipment

  • Analog signal generator up to 67GHz
  • High-speed oscilloscope
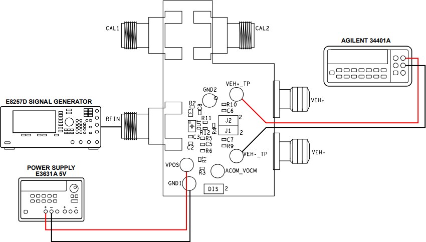
  • DC voltmeter
  • 5V power supply
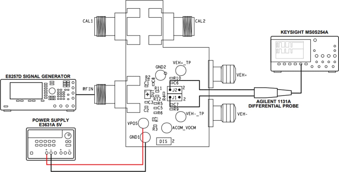
  • Differential probe

Typical DC Measurement Setup

Analog Devices Inc. ADL6012-EVALZ Evaluation Board

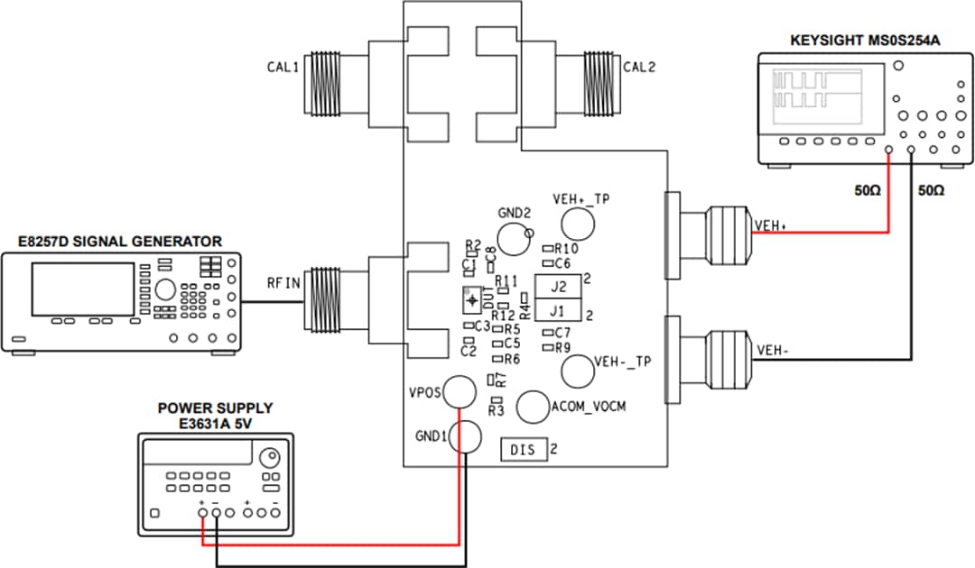
Envelope Measurement

Analog Devices Inc. ADL6012-EVALZ Evaluation Board

Differential Envelope Output

Analog Devices Inc. ADL6012-EVALZ Evaluation Board
發佈日期: 2020-07-06 | 更新日期: 2024-10-18