Analog Devices ADM2795E Transceivers

Analog Devices ADM2795E收發器

Analog Devices ADM2795E收發器為5kVrms訊號隔離RS-485收發器。該收發器的RS-485匯流排腳位提供最高±42V的AC/DC峰值匯流排過電壓故障保護。收發器使用iCoupler®技術開發,將3通道隔離器、RS-485收發器及IEC電磁相容性 (EMC) 瞬態保護結合至單一封裝。

RS-485/RS-422收發器的RS-485匯流排腳位提供最高±4kV的IEC 61000-4-5 Level 4突波保護。ADM2795E的匯流排腳位提供最高±2kV的IEC 61000-4-4 Level 4 EFT保護,以及IEC 61000-4-2 Level 4 ESD保護。上述保護使ADM2795E收發器在收發器介面腳位能承受最高±15kV,而且不會產生閂鎖效應。

ADM2795E廣大的±25V共模輸入範圍可在充滿雜訊的環境中提升資料通訊可靠性。ADM2795E收發器能在廣大的供電範圍內運作,可使用1.7V至5.5V VDD1供電範圍。因此,收發器可連接低電壓邏輯供電。在3V至5.5V VDD2供電範圍內運作時,ADM2795E收發器完全相容於TIA/EIA RS-485/RS-422。

產品特色
  • 5kVrms隔離RS-485/RS-422收發器
  • RS-485匯流排腳位提供±42V AC/DC峰值故障保護
  • RS-485 A、B匯流排腳位提供經認證的Level 4 EMC保護
    • IEC 61000-4-5突波保護 (±4kV)
    • IEC 61000-4-4電氣快速瞬態 (EFT) 保護 (±2kV)
    • IEC 61000-4-2靜電放電 (ESD) 保護
      • ±8kV接觸放電
      • ±15kV空中放電
    • IEC 61000-4-6傳導射頻 (RF) 抗擾性 (10V/mrms)
  • 經認證的IEC 61000-4-x跨隔離障礙抗擾性
  • IEC 61000-4-2 ESD、IEC 61000-4-4 EFT、IEC 61000-4-5突波、IEC 61000-4-6傳導RF抗擾性、IEC 61000-4-3輻射抗擾性、IEC 61000-4-8磁性抗擾性
  • RS-485 A、B腳位人體放電模式 (HBM) ESD保護:>±30kV
  • −25V至+25V共模輸入範圍
  • 高共模瞬態抗擾性:>75kV/μs
  • 強大的雜訊抗擾性(以IEC 62132-4標準測試)

  • 以6dBμV/m餘量通過EN55022 Class B輻射發射
  • 接收器短路、開路及浮動輸入安全失效
  • 支援256個匯流排節點(96kΩ接收器輸入阻抗)
  • −40°C至+125°C溫度選項
  • 無縫的電源開啟/關閉操作(熱插拔)
  • 安全和法規認證(申請中)
    • CSA元件認可通知5A、DIN V VDE V 0884-10、UL 1577、CQC11-471543-2012
    • 完整供電範圍皆相容於TIA/EIA RS-485/RS-422
    • VDD2運作電壓範圍3V至5.5V
    • VDD1邏輯供電運作電壓範圍1.7V至5.5V

應用
  • 暖氣、通風及空調 (HVAC) 網路
  • 工業現場匯流排
  • 大樓自動化
  • 公用事業網路

功能方塊圖
Functional Block Diagrams
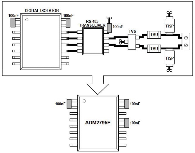
ADM2795E認證的整合IEC 61000-4-5突波解決方案
ADM2795E Certified Integrated IEC 61000-4-5 Surge Solution

EVAL-ADM2795EEBZ評估板

Analog Devices EVAL-ADM2795EEBZ評估板可協助設計人員評估ADM2795E 5kVrms訊號隔離RS-485/RS-422收發器的效能。經認證的IEC EMC RS-485評估板通過實驗室測試與認證,可為RS-485 A、B匯流排腳位提供±4kV的IEC 61000-4-5突波保護。其認證還包括IEC 61000-4-4 EFT至±2kV及IEC 61000-4-2 ESD至±8kV (接觸放電)與±15kV (空中放電)。EVAL-ADM2795EEBZ的RS-485 A、B匯流排腳位可承受±42V AC/DC峰值的高電壓故障。

EVAL-ADM2795EEBZ符合嚴格的EMI發射目標,相較於EN 55022 Class B限制仍有6dB μV的餘量。該評估板在印刷電路板(PCB)上利用走線連接至RxD腳位的120pF、0603本體尺寸的電容器,以符合上述發射目標。

eNews
  • Analog Devices Inc.
發佈日期: 2017-04-20 | 更新日期: 2022-03-11