特點
- 真正的開機即用多圈計數器
- 46轉磁感測器
- 從磁性復位開始順時針正向計數
- >16k°數位輸出
- ±0.25°精確度
- 100kSPS量測更新率
- 16mT至31mT作業範圍
- 內部溫度感測器
- 3.3V IC供電
- 1.8V至5V SPI介面
- -40°C至+150°C結點溫度範圍
- 24腳位TSSOP封裝
應用
- 無需電源的旋轉數偵測與儲存
- 非接觸式絕對位置量測
- 無刷DC-DC馬達控制與定位
- 致動器控制與定位
影片
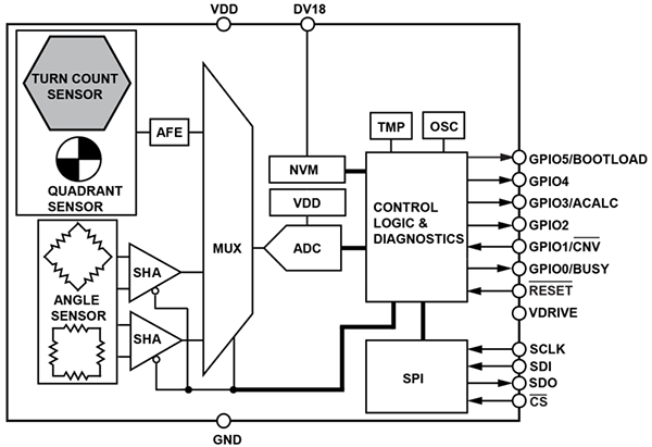
方塊圖
Resources
發佈日期: 2022-11-09
| 更新日期: 2025-09-30

