Analog Devices Inc. ADP1034 Micropower Management Unit (PMU)
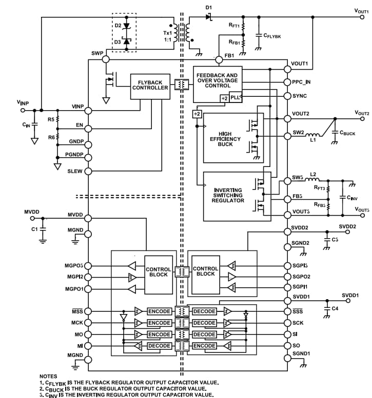
Analog Devices Inc. ADP1034 Micropower Management Unit (PMU) is a high-performance and isolated PMU that combines an isolated flyback dc-to-dc regulator, buck-boost, and buck dc-to-dc regulator. The ADP1034 PMU has four high-speed Serial Peripheral Interface (SPI) isolation channels and three general-purpose isolators for channel-to-channel applications. This PMU operates at a 4.5V to 60V wide input supply voltage range. The ADP1034 PMU offers 86% of typical efficiency at 2.61W output power. This PMU features high speed, low propagation delay, and SPI signal isolation channels. Applications include industrial automation and process control, instrumentation and data acquisition systems, and data and power isolation.Features
- 4.5V to 60V wide input supply voltage range
- Integrated flyback power switch
- Generates isolated, independent, resistor-programmable bipolar outputs, and factory-programmable buck output:
- 6V to 28V VOUT1
- 5V VOUT2
- -24V to -2V VOUT3
- 86% typical efficiency at 2.61W output power
- Programmable power control pin (PPC_IN) for adjusting VOUT1 through serial command
- Uses a 1:1 ratio transformer for simplified transformer design
- Adjustable switching frequency via SYNC input
- Peak current limiting and overvoltage protection
- Internal compensation and soft-start control per regulator
- Precision enable input
- High speed, low propagation delay, and SPI signal isolation channels
- Three 100kbps general-purpose isolated data channels
- 41-lead, 9mm x 7mm LFCSP form factor enables a small overall solution size
- -40°C to 125°C operating junction temperature range
- Safety and regulatory approvals (pending)
- CISPR11 Class B radiated emission
- UL recognition: 2500Vrms for 1 minute per UL 1577
- CSA component acceptance notice 5A:
- 300Vrms basic insulation between slave, master, and field power domains (IEC 61010-1, pending)
- VDE certificate of conformity:
- DIN V VDE 0884-10 (VDE 0884-10): 2006-12
- VIORM = 565V peak
Applications
- Industrial automation and process control
- Instrumentation and data acquisition systems
- Data and power isolation
Typical Application Circuit Diagram
Block Diagram
發佈日期: 2022-06-08
| 更新日期: 2025-03-10
