Analog Devices ADRF5040 High Isolation SP4T Switches

Analog Devices ADRF5040高隔離SP4T開關

Analog Devices ADRF5040高隔離、單極四投 (SP4T) 開關為通用、寬頻、非反射開關,涵蓋範圍為9kHz至12GHz。ADRF5040開關採用4mm×4mm LFCSP表面黏著封裝,提供34dB的高隔離及0.8dB低插入損耗,最高可達8GHz。

ADRF5040開關以正壓控制範圍0V至3.3V運作,展現優異的功率處理能力。此裝置需要+3.3V與−3.3V供電,具備33dBm通過路徑及27dBm端接路徑。

ADRF5040開關在8GHz (IIP3) 時可提供37dBm (P1dB) 與58dBm的典型高線性。此開關亦具備9μs Rf安定時間,最終射頻輸出 (RFOUT) 的餘量為0.05dB。

產品特色
  • 非反射50Ω設計
  • 正壓控制範圍:0V至3.3V
  • 低插入損耗:8GHz時為0.8dB
  • 高隔離:8GHz時為34dB
  • 高功率處理
    • 33dBm通過路徑
    • 27dBm端接路徑
  • 高線性
    • 1dB壓縮 (P1dB):37dBm典型值
    • 輸入三階交調截斷 (IIP3):8GHz時典型值為58dBm

  • 額定ESD:4kV人體放電模式 (HBM)
  • 4mm×4mm 24導線LFCSP封裝
  • 無低頻雜散
  • RF安定時間(最終RFOUT餘量0.05dB):9μs

應用
  • 光纖與寬頻通訊
  • 微波無線電與超小型天線 (VSAT)
  • 軍用無線電、雷達及電子反制 (ECM)
  • 測試儀器
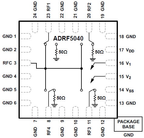
功能方塊圖
Functional Block Diagram


Analog Devices ADRF5040-EVALZ評估板

Analog Devices ADRF5040-EVALZ評估板可示範ADRF5040 SP4T開關的特色與功能。ADRF5040-EVALZ是完全實裝的4層評估板,以RO4350為基礎。此Rogers 4350電路板包括ADRF5040 SP4T開關、100pF電容器、SMA RF天線及穿孔安裝測試點。

此電路板採用RF電路設計技術進行開發,提供足夠的通孔數量以連接接地平面的頂部與底部,位於RF連接埠的訊號線具有50Ω阻抗。這些訊號線連接封裝接地導線,而背面的金屬短棒則直接連接至接地平面。

eNews
  • Analog Devices Inc.
發佈日期: 2017-08-07 | 更新日期: 2025-10-01