Analog Devices Inc. ADRF5534 RF 前端多晶片模組
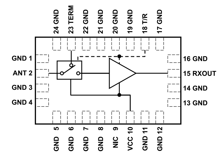
Analog Devices Inc. ADRF5534 RF 前端多晶片模組專為時分雙工 (TDD) 應用而設計,並在 3.1GHz 至 4.2GHz 頻率範圍內運行。這些多晶片模組配置有 LNA 和高功率矽 SPDT 開關。LNA 在接收操作中提供 1.3dB 的低噪聲係數 (NF) 和 35.5dB 的高增益,並具有 − 4dBm 的三階輸入截取點 (IIP3)。該交換機提供 0.8dB 的低插入損耗,並處理 37dBm 的長期演進 (LTE) 平均功率,以實現傳輸操作中的完整生命週期操作。ADRF5534 RF 前端多晶片模組非常適合無線基礎設施、基於 TDD 的通訊系統、TDD 大規模多輸入多輸出 (MIMO) 和有源天線系統。特點
- 整合式 RF 前端
- LNA 和大功率矽 SPDT 開關
- 片上偏置和匹配
- 單電源操作
- 35.5 dB 典型增益(3.6GHz 時)
- 1.5 dB 增益平坦度(在 400 MHz 帶寬範圍內達到 25 °C 時)
- 1.3 dB 典型低噪聲係數(3.6 GHz 時)
- 0.8 dB 典型的低插入損耗(3.6 GHz 時)
- 正邏輯控制
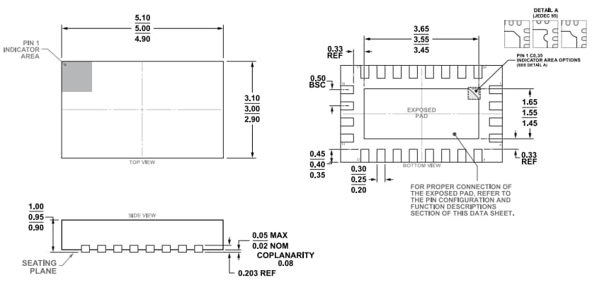
- 5 mm × 3 mm,24-lead LFCSP 封裝
- TCASE = 105 °C 時的高功率處理
- 完整的生命週期
- 37 dBm LTE 平均功率(8 dB PAR)
- 單事件(操作時間 < 10 秒)
- 39 dBm LTE 平均功率(8dB PAR)
- 完整的生命週期
- -4 dBm 高輸入 IP3
- 低電源電流
- 120 mA 典型接收操作(5 V 時)
- 15 mA 典型傳輸操作(5 V 時)
應用
- 無線基礎設施
- TDD 大規模多輸入多輸出(MIMO)和主動天線系統
- 基於 TDD 的通信系統
框圖
尺寸
發佈日期: 2023-04-27
| 更新日期: 2023-05-09
