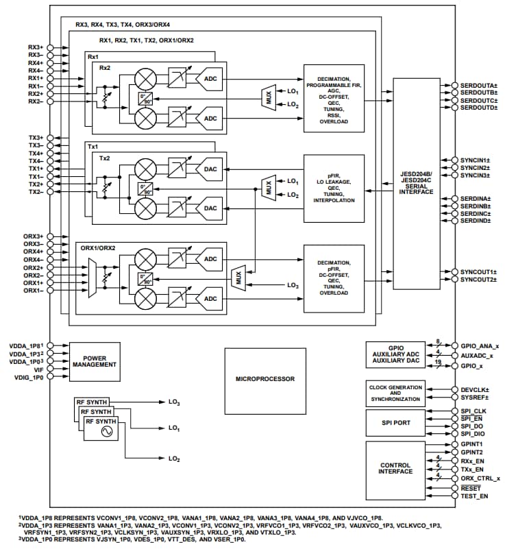
特點
- 4個差分發送器
- 4個差分接收器
- 2個觀測接收器(各有2個輸入端)
- 中心頻率:650MHz至6000MHz
- 最大接收器頻寬:200MHz
- 最大發送器頻寬:200MHz
- 最大發送器合成頻寬:450MHz
- 最大觀測接收器頻寬:450MHz
- 完全整合式獨立小數N分頻射頻合成器
- 完全整合式時鐘合成器
- 所有本地振盪器及基帶時鐘的多晶片相位同步
- 支援TDD與FDD應用
- 16 Gbps JESD204B/JESD204C數位介面
技術文章
- 5G Technology Devices for an O-RAN Wireless Solution
Discover a platform that meets the required RF characteristics, cost, and power budgets required to deploy a low-cost, high-performance O-RAN platform. - Simplify Antenna Calibration
The radio frequency (RF) phase-locked loop (PLL) phase synchronization feature available in Analog Devices’ software-defined radios (SDRs) helps in reducing the complexity in antenna calibrations, especially for systems that employ large antenna arrays.
方塊圖
發佈日期: 2019-12-03
| 更新日期: 2024-02-28

