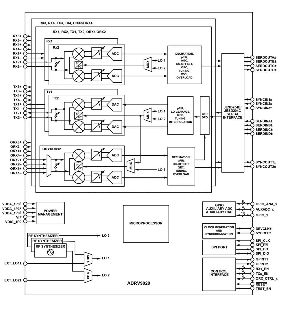
ADRV9029收發器內含五個全整合式的鎖相迴路 (PLL),能達到非常高的射頻效能。這些收發器內含一個全整合且低功耗的數位預失真自適應引擎,用於功率放大器的線性化。ADRV9029收發器直接由1.0V、1.3V和1.8V的穩壓器供電,並由標準序列週邊介面的序列埠進行控制。典型應用包括3G/4G/5G TDD和FDD的巨量MIMO、大型基地台和微型基地台。
特點
- 4個差分發射器
- 4個差分接收器
- 2 個觀測接收器,各有2個輸入
- 75 MHz至6000 MHz中心頻率範圍
- 全整合DPD自適應引擎,用於功率放大器的線性化
- 峰值因數降低引擎
- 最大接收器頻寬:200 MHz
- 最大發射器大訊號頻寬:200 MHz
- 最大發射器合成頻寬:450 MHz
- 最大觀測接收器頻寬:450 MHz
- 全整合獨立分數-N型射頻合成器
- 全整合時脈合成器
- 適用於所有本機振盪器和基頻時脈的多晶片相位同步
- 支援TDD和FDD應用
- 24.33 Gbps JESD204B/JESD204C數位介面
Articles
Digital Predistortion for RF Communications: From Equations to Implementation
This article explains the fundamentals of digital pre-distortion (DPD), and why it is needed in modern communication systems, and explores how the mathematical model captures real-world signal distortion.
5G Technology Devices for an O-RAN Wireless Solution
Discover a platform that meets the required RF characteristics, cost, and power budgets required to deploy a low-cost, high-performance O-RAN platform.
Additional Resource
方塊圖
發佈日期: 2021-03-15
| 更新日期: 2024-06-24

