Analog Devices Inc. DC2985A Demo Board for the LT3380

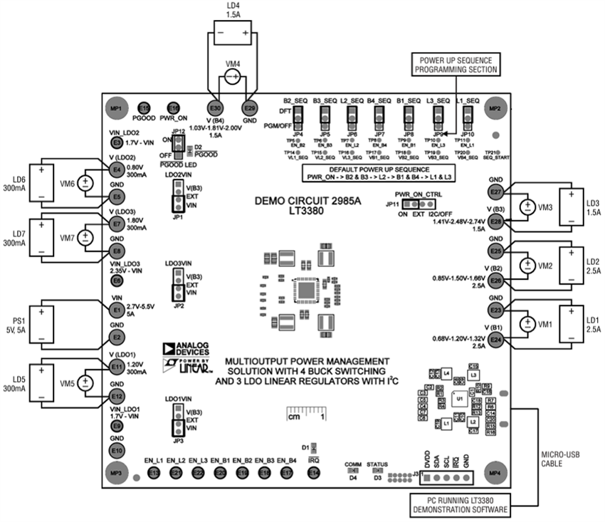
Analog Devices Inc. DC2985A Demo Board is a demo PMIC featuring the LT3380. The LT3380 is a complete power management solution for advanced portable application processor-based systems. The device contains four (two at 2.5A and two at 1.5A) synchronous step-down DC/DC converters for core, memory, I/O, and system-on-chip (SoC) rails. It also features three 300mA LDO regulators for low-noise analog supplies.

Features

  • Two 2.5A and two 1.5A synchronous step-down DC/DC regulators
  • Three 300mA LDO regulators
  • Micro-USB communication interface
  • 2.7V to 5.5V input voltage range
  • 1.20V to 2.48V buck output voltage range
  • 0.80V to 1.80V LDO output voltage range

Applications

  • Automotive
  • Industrial
  • Communications
  • General-purpose multichannel power supplies

Test Setup

Mechanical Drawing - Analog Devices Inc. DC2985A Demo Board for the LT3380
發佈日期: 2020-07-28 | 更新日期: 2024-10-22