特點
- 自足式評估板,包括配備整合式VCO、迴圈濾波器、USB介面、板載參考振盪器、傳播延遲校準路徑和電壓調節器的ADF4382A頻率合成器
- 基於Windows®的軟體可讓您從PC控制合成器功能
- 外部6V供電
應用
- 高效能資料轉換器時脈
- 無線基礎架構(MC-GSM、5G和6G)
- 測試與量測
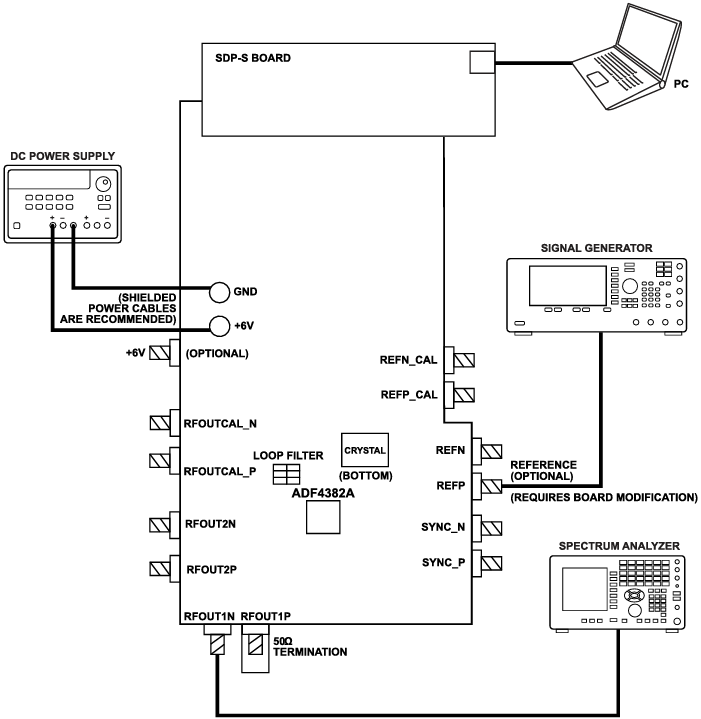
所需器材
- 用於評估軟體的配備USB™連接埠的Windows系統PC
- 系統示範平台、僅支援序列通訊的EVAL-SDP-CS1Z控制器板 (SDP-S)
- 6V電源
- 頻譜分析儀或相位雜訊分析儀
- 50Ω終端器
- 低雜訊輸入參考 (REFIN) 來源(選配)
評估板安裝圖
發佈日期: 2024-02-05
| 更新日期: 2024-07-05

