Analog Devices Inc. EVAL-ADRF5717 Evaluation Board

Analog Devices Inc. EVAL-ADRF5717 Evaluation Board evaluates the features and performance of the ADRF5717 2-bit digital attenuator with a 48dB attenuation control range manufactured in the silicon-on-insulator (SOI) process. This connectorized, full-featured evaluation board provides an easy connection to test equipment and offers an additional throughline for calibration.

Features

  • Full-featured evaluation board for the ADRF5717
  • Easy connection to test equipment
  • Additional throughline for calibration

Applications

  • Industrial scanners
  • Test and instrumentation
  • Cellular infrastructure (5G millimeter wave)
  • Military radios, radars, and electronic countermeasures (ECMs)
  • Microwave radios and very small aperture terminals (VSATs)

Required Equipment

  • DC power supply
  • Network analyzer

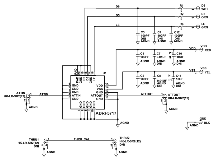
Schematic

Schematic - Analog Devices Inc. EVAL-ADRF5717 Evaluation Board
發佈日期: 2024-03-06 | 更新日期: 2024-03-15