Analog Devices Inc. EVAL-LT7170 Evaluation Boards

Analog Devices Inc. EVAL-LT7170 Evaluation Boards are designed to evaluate the LT7170/LT7170-1 monolithic DC/DC synchronous stepdown regulators. These evaluation boards are ideal for 1V output with a switching frequency set at 1MHz. The EVAL-LT7170 boards consist of EMI filters installed for improved conducted and radiated EMI performances. The evaluation boards produce power based on the NVM configuration without the need for serial bus communication, which allows easy evaluation of the DC/DC converter. The EVAL-LT7170 boards feature 20A maximum continuous load current, 2.9V to 16V input voltage range, and 0.925MHz to 1.075MHz switching frequency range.

Features

  • Evaluate the LT7170/LT7170-1 monolithic DC/DC synchronous step-down regulators
  • 1V default output voltage
  • 2.9V to 16V input voltage range
  • 20A maximum continuous output current
  • 0.925MHz to 1.075MHz switching frequency range

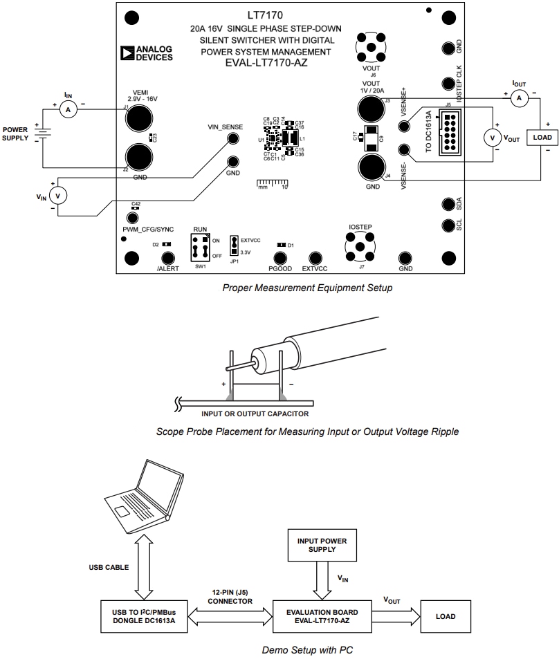
Evaluation Board Set-Up

Analog Devices Inc. EVAL-LT7170 Evaluation Boards

Performance Graph

Performance Graph - Analog Devices Inc. EVAL-LT7170 Evaluation Boards
發佈日期: 2024-07-15 | 更新日期: 2024-07-29