Analog Devices Inc. EVAL-LT7171評估板

Analog Devices Inc. EVAL-LT7171評估板設計用於評估LT7171/LT7171-1單片多相DC/DC同步降壓穩壓器。這些評估板適用於1V輸出,開關頻率設定為1MHz。EVAL-LT7171評估板具備2.9V至16V輸入電壓範圍、最大40A連續輸出電流,以及1V預設輸出電壓。這些評估板可按照預設設定運行,並根據NVM配置發電,無需串行匯流排通訊。

特點

  • LT7171/LT7171-1單片多相DC/DC同步降壓穩壓器
  • 預設輸出電壓:1V
  • 開關頻率範圍:0.925MHz至1.075MHz
  • 最大連續輸出電流:40A
  • 輸入電壓範圍:2.9V至16V

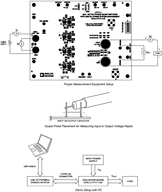
評估板設定

Analog Devices Inc. EVAL-LT7171評估板

效能圖

性能圖表 - Analog Devices Inc. EVAL-LT7171評估板
發佈日期: 2024-07-15 | 更新日期: 2024-07-29