Analog Devices Inc. HMC1114 Power Amplifiers
Analog Devices Inc. HMC1114 Power Amplifiers are designed as gallium nitride (GaN) broadband amplifiers. The HMC1114 amplifiers deliver 10W with greater than 50% power added efficiency (PAE) and ±0.5dB typical gain flatness across a 2.7GHz to 3.8GHz bandwidth. The amplifiers can achieve a 41.5dBm PSAT from a 28V at 150mA supply voltage. In addition, the amplifiers offer a typical 35dB signal gain, 25.5dB high-power gain for saturated output power, and a typical 44dBM IP3. Analog Devices Inc. HMC1114 power amplifiers are ideal for pulsed and continuous wave applications. These applications include wireless infrastructure, radars, public mobile radios, and general-purpose amplification.Features
- 41.5dBm typical high saturated output power (PSAT)
- 35dB typical high small signal gain
- 25.5dB typical high power gain for saturated output power
- 2.7GHz to 3.8GHz bandwidth
- 54% typical high power added efficiency (PAE)
- 44dBm typical high output IP3
- VDD = 28V at 150mA supply voltage
- 32-lead, 5mm × 5mm LFCSP_CAV package
Applications
- Extended battery operation for public mobile radios
- Power amplifier stage for wireless infrastructure
- Test and measurement equipment
- Commercial and military radars
- General-purpose transmitter amplification
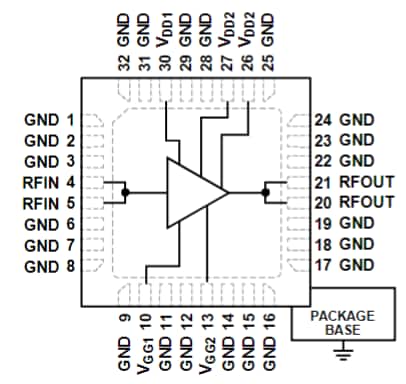
HMC1114 Functional Block Diagram
發佈日期: 2017-09-01
| 更新日期: 2022-04-25
