Analog Devices Inc. HMC6300/HMC6301 mmWave Transmitter/Receiver
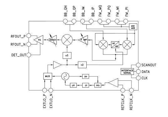
Analog Devices Inc. HMC6300/HMC6301 is offered as a complete MillimeterWave Transmitter/Receiver integrated circuit. Available in a 6mm x 4mm RoHS-compliant wafer level ball grid array (WLBGA), the device covers 57GHz to 64GHz with up to 1.8GHz of double-sided modulation bandwidth. Combining the Analog Devices HMC6300 transmitter with the HMC6301 receiver provides a complete 60GHz transmit/receive chipset suited for multi-Gbps operation in the unlicensed 60GHz ISM band.A universal analog baseband IQ interface provides support for a wide range of modulation formats. An integrated synthesizer offers tuning in 250, 500, or 540MHz steps and maintains excellent phase noise to support up to 64-QAM modulation. Designers can use an optional external LO for user-selectable LO characteristics or phase-coherent transmit and receive operation for modulation up to 256-QAM.
The HMC6300 transmitter chip supports dedicated FSK, MSK, OOK modulation formats for lower power serial data links without the need for high-speed data converters. A differential output delivers up to 15dBm linear output power into a 100Ω load. The HMC6300 also supports single-ended operation up to 12dBm.
The HMC6301 Receiver includes a low noise amplifier (LNA), RF to IF downconverter, image reject filter, IF filter, I/Q downconverter, and a frequency synthesizer. HMC6301 also includes AM and FM detectors. The detectors demodulate OOK, FSK, or MSK modulation for lower power serial data links without the need for high-speed data converters.
Features
- 57GHz to 64GHz frequency range
- Up to 1.8GHz RF signal bandwidth
- 15dBm output power for 1dB compression
- 0 to 70dB gain
- Digital and analog RF and IF gain control
- Integrated frequency synthesizer
- Integrated image reject filter
- Partially external loop filter
- Support for external LO
- On-chip temperature sensor
- Support for 256-QAM modulation
- Integrated AM and FM detectors (HMC6301)
- Integrated MSK modulator (HMC6300)
- Universal analog I/Q baseband interface
- Three-wire serial digital interface
- 65-Ball RoHS compliant wafer level ball grid array (HMC6300)
- 75-Ball RoHS compliant wafer level ball grid array (HMC6301)
Applications
- Small cell backhaul
- 60GHz ISM band data transfer
- Multi-Gbps data communication
- WiGig/802.11ad radio
- High-definition video transmission
- Radar/high-resolution imaging
Datasheets
Additional Resources
60GHz Wireless Data Interconnect for Slip Ring Applications
This article summarizes the main requirements of modern industrial applications on a communication interface between mechanically rotating subsystems. It gives a concise overview of these technologies and discusses their main advantages and disadvantages.
