Analog Devices HMC7043 Clock Buffers

Analog Devices HMC7043時脈緩衝器

概觀
Analog Devices HMC7043高效能時脈緩衝器可在採用平行或序列(JESD204B)介面組態的高速資料轉換器中,管理超低相位雜訊參考的分配。3.2GHz HMC7043時脈緩衝器包含多種分配與時脈管理功能,專為多載波LTE與GSM基地台設計。這些功能可簡化基頻與無線電卡的時脈樹設計。

設計
HMC7043時脈緩衝器具備14個低雜訊與可組態的輸出,可為基地收發站(BTS)系統提供連接FPGA與ADC/DAC元件時的彈性。14個通道皆具備獨立、彈性的相位管理。RF SYNC功能可確定性同步多個HMC7043時脈緩衝器。此運作可簡化元件之間的框調正,並確保所有時脈輸出皆從相同的邊緣起始。SPI可程式功率/效能調整可確保適當的設定,並保持資料轉換器的時間。

效能
HMC7043裝置可在2457.6MHz時達到< 15fs rms的抖動效能,以提升高速資料轉換器的訊噪比與動態範圍。此裝置在983MHz時亦具有極低的雜訊基準155.2dBc/Hz,能以優異的雜散效能提供frac-N LO訊號。

產品特色
  • JEDEC JESD204B支援
  • 低附加抖動:<15fs rms於2457.6MHz時 (12kHz至20MHz)
  • 極低的雜訊基準:−155.2dBc/Hz於983.04MHz時
  • 最多14個LVDS、LVPECL或CML類型裝置時脈(DCLK)
    • 最高3200MHz的CLKOUTx/CLKOUTx及SCLKOUTx/SCLKOUTx頻率
    • JESD204B相容系統參考(SYSREF)脈衝
    • 25ps類比及½時脈輸入週期數位延遲
    • 14個時脈輸出通道皆可獨立設定
  • SPI可程式調整雜訊基準與耗電量
  • SYSREF可驗證中斷,以簡化JESD204B同步

  • 支援多個HMC7043裝置的確定性同步
  • RFSYNCIN腳位或SPI控制SYNC觸發器可用於JESD204B的輸出同步
  • GPIO警報/狀態指示器可供判斷系統運作情況
  • 時脈輸入最高支援6GHz
  • 48導線、7mm × 7mm LFCSP封裝

應用
  • JESD204B時脈產生
  • 行動網路基礎架構(多載波GSM、LTE、W-CDMA)
  • 資料轉換器時脈
  • 相位陣列參考分配
  • 微波基頻卡
功能方塊圖
Analog Devices HMC7043 Functional Block Diagram

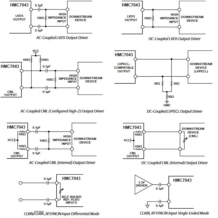
典型應用電路
Analog Devices HMC7043 Typical Application Circuits


EK1HMC7043LP7評估套件

EK1HMC7043LP7評估套件設計為小型易用的平台,可協助設計人員評估HMC7043時脈緩衝器的功能。
深入瞭解


評估套件內容
  • EV2HMC7043LP7F評估板
  • USB介面板與USB纜線
  • EK1HMC7043LP7F使用手冊
eNews
  • Analog Devices Inc.
發佈日期: 2016-08-08 | 更新日期: 2022-03-11