Analog Devices Inc. HMC8074 8.3GHz - 15.2GHz Quadband MMIC VCO
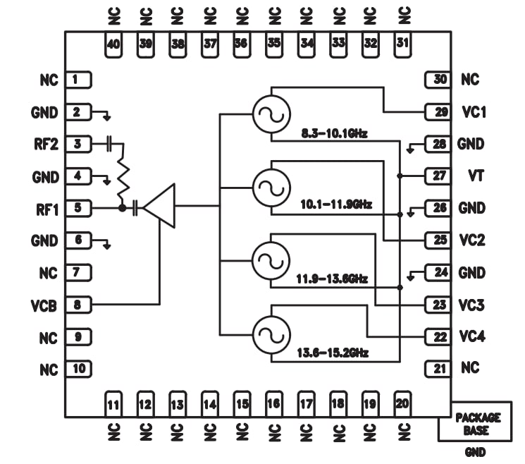
Analog Devices Inc. HMC8074 8.3GHz - 15.2GHz Quadband MMIC VCO integrates resonators, negative resistance devices, and varactor diodes while offering two RF output pins. The HMC8074 VCO features phase noise performance that provides excellent over temperature, shock, and process due to the oscillator’s monolithic structure.The ADI HMC8074 Quadband MMIC VCO supports a +4.75V supply and an output power that is typically -5dBm to +6dBm for each RF output, respectively.
The voltage-controlled oscillator is housed in a leadless QFN 6x6mm surface-mount package and requires no external matching components.
Features
- Dual output
- RF1 = -5dBm to +6dBm
- RF2 = -15dBm to -4dBm
- Four independent VCO’s with common RF and tuning ports
- No external resonator needed
- 36mm2 40 Lead 6x6mm SMT package
Applications
- Low noise QUADBAND MMIC VCO for:
- Test equipment and industrial controls
- VSAT Radio
- Point to point/multi-point radio
- Military end-use
Additional Resources
Functional Diagram
SSB Phase Noise vs. Tuning Voltage
發佈日期: 2021-09-17
| 更新日期: 2022-03-11
