Analog Devices Inc. LT1999 Bidirectional Current Sense Amplifier

Analog Devices LT1999 Bidirectional Current Sense Amplifier is designed to monitor bidirectional currents over a wide common-mode range. The device has three gain options (10V/V, 20V/V, and 50V/V). The LT1999 senses current via an external resistive shunt and generates an output voltage, indicating the sensed current's magnitude and direction. The output voltage is referenced halfway between the supply voltage and ground, or an external voltage can be used to set the reference level. With a 2MHz bandwidth and a common-mode input range of –5V to 80V, the LT1999 is suitable for monitoring currents in H-Bridge motor controls, switching power supplies, solenoid currents, and battery charge currents from full charge to depletion.

Features

  • Buffered output with 3 gain options: 10V/V, 20V/V, 50V/V
  • 0.5% max gain accuracy
  • –5V to 80V input common-mode voltage range
  • AC CMRR > 80dB at 100kHz
  • 1.5mV max input offset voltage
  • 2MHz –3dB bandwidth
  • Smooth, continuous operation over an entire common-mode range
  • 4kV HBM tolerant and 1kV CDM tolerant
  • < 10µA low power shutdown
  • –55°C to +150°C operating temperature range
  • 8-Lead MSOP and 8-Lead SO (Narrow) packages
  • 8-Lead MSOP pinout option engineered for FMEA
  • AEC-Q100 qualified for automotive applications

Applications

  • High side or low side current sensing
  • H-Bridge motor control
  • Solenoid current sense
  • High voltage data acquisition
  • PWM control loops
  • Fuse/MOSFET monitoring

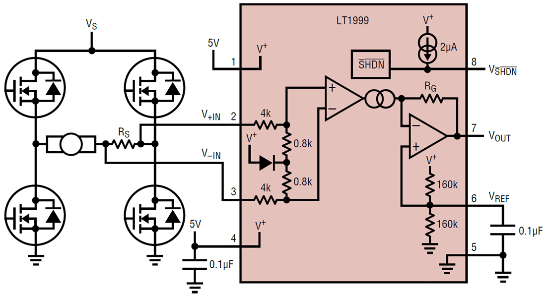
Typical Application Circuit

Application Circuit Diagram - Analog Devices Inc. LT1999 Bidirectional Current Sense Amplifier
發佈日期: 2019-11-12 | 更新日期: 2024-03-06