Analog Devices Inc. LT8630同步降壓開關穩壓器
Linear Technology / Analog Devices Inc. LT®8630 current mode PWM step-down DC/DC converters with internal synchronous switches provide current for output loads up to 0.6A. The components have a wide input range of 3V to 100V. The devices are suitable for regulating power from a wide variety of sources, including automotive and industrial systems and 36V to 72V telecom supplies. The LT8630 is available in a 20-lead TSSOP package with exposed pad for low thermal resistance and high voltage lead spacing.Variable frequency boundary mode switching maximizes efficiency across a wide range of input voltages. Low ripple Burst Mode operation enables high-efficiency operation down to very low output currents while keeping the output ripple below 5mV. The soft-start feature controls the ramp rate of the output voltage, eliminating input current surge during start-up while providing output tracking. A power good flag signals when the output voltage is within ±7.5% of the regulated output. Under voltage lockout can be programmed using the EN/UV pin. Shutdown mode reduces the total quiescent current to <5µA.
特點
- 3V to 100V input voltage range
- Boundary mode switching for highest efficiency
- 0.8V to 60V output voltage range
- Internal synchronous switches
- Burst Mode® Operation
- 16µA IQ at 12VIN to 5VOUT
- 7µA IQ at 48VIN to 5VOUT
- Low dropout
- Peak current-mode control
- Programmable undervoltage lockout
- Power good flag
- Flexible output voltage tracking
- Short-circuit protection
- 5µA shutdown current
- Tolerates pin open/short faults
- Thermally enhanced 20-lead TSSOP with high voltage lead spacing
應用
- Automotive supplies
- Telecom supplies
- Distributed supply regulation
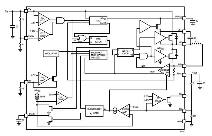
Block Diagram
發佈日期: 2017-04-25
| 更新日期: 2025-01-29
