Analog Devices Inc. LT8650S同步降壓Silent Switcher 2
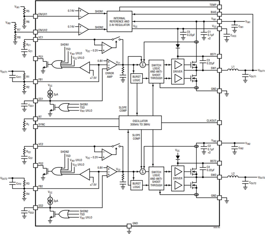
Analog Devices Inc. LT8650S同步降壓Silent Switcher 2是一款雙通道降壓穩壓器,具備3V至42V的寬輸入電壓範圍,適用於汽車、工業和其他降壓應用。LT8650S的靜態電流極低,只有6.2 µA,且能調節輸出,可避免隨時啟用系統在汽車未行駛時耗盡電瓶電力,是汽車環境不可或缺的功能。LT8650S採用Silent Switcher®2架構,可將EMI輻射降到最低,同時在高切換頻率下高效運作。包括整合旁路電容器,能將高頻電流迴路最佳化,並透過消除佈局靈敏度,輕鬆達到公佈的EMI效能。LT8650S的兩個通道最高可提供4A連續電流,每通道支援最高6A的負載。快速、乾淨且低過衝的切換邊,即使在高切換頻率下亦能實現高效運作,而且能維持小巧的整體解決方案尺寸。其峰值電流模式控制具有40 ns最短導通時間,在高切換頻率下支援高降壓率。
叢發模式運作可在低輸出電流下實現高效率,強制連續模式可在整個輸出負載範圍內保持固定切換頻率作業,還有展頻模式可進一步降低EMI輻射。外部VC腳位可執行最佳的迴路補償,以維持快速的瞬態回應。VC腳位也可用於電流共用,另外CLKOUT腳位則可同步兩個LT8650S晶片,以產生4相16A的供應。
特點
- Silent Switcher 2架構
- 在任何PCB上皆可達到超低的EMI,且能消除PCB佈局的靈敏度
- 內部旁路電容器,可減少放射的EMI
- 可選展頻調變
- 各通道可同時輸出4A DC
- 任一通道最高可達6A
- 超低靜態電流叢發模式 (BurstMode®) 運作
- 6.2 μA IQ調節,12 VIN至5 VOUT1和3.3 VOUT2
- 輸出漣波 < 10mVP-P
- 可選購外部VC腳位:快速瞬態回應和電流共用(每通道額外50 µA IQ)
- 強制連續模式
- 在高頻下實現高效率
- 在12 VIN/2 MHz輸入、2A/5 VOUT輸出下,可達到94.6%效率
- 在12 VIN/2 MHz輸入、4A/5 VOUT輸出下,可達到93.3%效率
- 快速最短導通時間:40ns
- 寬輸入電壓範圍:3.0V至42V
- 可調整且可同步:300 kHz至3 MHz
- 封裝類型:LQFN-32
- 封裝尺寸:4mm × 6mm
- 符合RoHS和WEEE標準
應用
- 一般用途降壓
- 汽車與工業用的電源供應器
影片
Comprehensive Power Supply System Designs for Harsh Automotive Environments
Power supplies for automotive applications must perform without failure in harsh conditions—the designer must consider all exigencies, including load dump, cold crank, battery reverse polarity, double battery jump, spikes, and other transients defined in LV 124, ISO 7637-2, ISO 17650-2, and TL82066, as well as mechanical vibration, noise, extremely wide temperature ranges, etc. This article focuses on the critical requirements in automotive power supply specifications and solutions to meeting automotive specifications.
方塊圖
典型應用電路
