Analog Devices Inc. LTC4283 Negative Voltage Hot Swap Controllers
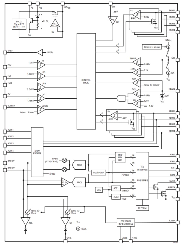
Analog Devices Inc. LTC4283 Negative Voltage Hot Swap Controllers drive an external N-channel MOSFET that allows a circuit board to be safely inserted and removed from a live backplane. Analog Devices LTC4283 Negative Voltage Hot Swap Controllers feature programmable current limits with foldback and independently adjustable in-rush currents to optimize the MOSFET safe-operating area (SOA). The SOA timer limits MOSFET temperature rises for reliable protection against being overstressed. An I2C interface and onboard gear-shift analog-to-digital converter (ADC) allow monitoring of board current, voltage, power, energy, and fault status.Features
- Allows safe insertion into live -48V backplanes
- Protects MOSFET with SOA timer
- 15mV to 30mV programmable current limit sense voltage with 2% accuracy and adjustable foldback
- 8-bit to 16-bit gear-shift ADC with 0.5% accuracy
- Monitors voltages, currents, power, and energy
- Nonvolatile configuration and fault recording
- Floating topology for rugged high-voltage operation
- dV/dt or current limit selectable inrush control
- I2C/SMBus or single-wire broadcast interfaces
- Minimum/maximum ADC measurement logging with alerts
- Reboots on I2C command with programmable delay
- Adjustable input UV/OV thresholds and hysteresis
- 38-pin, 5mm × 7mm QFN package
Applications
- Telecom infrastructure
- -48V distributed power systems
- Servers and data centers
- Power monitors
Block Diagram
發佈日期: 2019-07-18
| 更新日期: 2024-03-04
