Analog Devices Inc. LTC7820 High Power Charge Pump DC-DC Controllers
Analog Devices Inc. LTC7820 fixed ratio high voltage high power switched-capacitor/charge pump controllers provide a small and cost-effective solution for high power, non-isolated intermediate bus applications with fault protection. The devices include four N-channel MOSFET gate drivers to drive external power MOSFETs in a voltage divider, doubler, or inverter configurations. The devices achieve a 2:1 step-down ratio from an input voltage as high as 72V, a 1:2 step-up ratio from an input voltage as high as 36V, or a 1:1 inverting ratio from an input voltage up to 36V.Each power MOSFET is switched with a 50% duty cycle at a constant pre-programmed switching frequency. System efficiency can be optimized to over 99%. The Analog Devices Inc. LTC7820 switching frequency can be linearly programmed from 100kHz to 1MHz. The devices are available in a thermally enhanced 28-lead QFN package with some no-connect pins for high voltage compatible pin spacing.
Features
- Low profile, high power density, capable of 500W+
- Soft startup into steady-state operation
- Input current sensing and overcurrent protection
- Output short-circuit/OV/UV protections with programmable timer and retry
- Thermally enhanced 28-pin 4mm x 5mm QFN package
Specifications
- Soft Switching: 99% peak efficiency and low EMI
- 72V VIN max. for voltage divider (2:1)
- 36V VIN max. for voltage doubler (1:2)/inverter (1:1)
- Wide Bias Vcc input for improved efficiency
- 100kHz to 1MHz operating frequency range
Applications
- Bus converters
- High power distributed power systems
- Communications Systems
- Industrial Applications
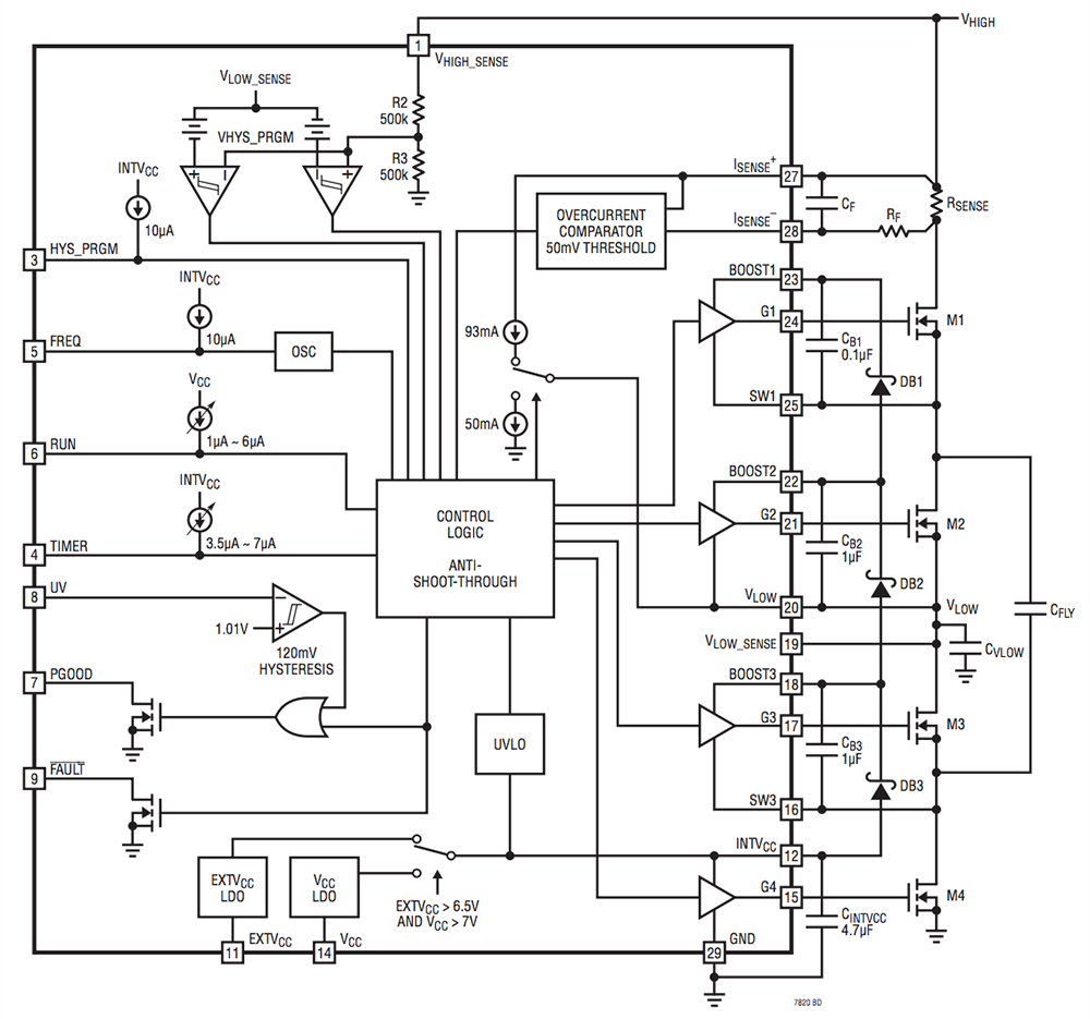
Block Diagram
Videos
發佈日期: 2017-05-04
| 更新日期: 2022-03-17
