LTM2985具有適合每種溫度感測器的激磁電流源和故障偵測電路。
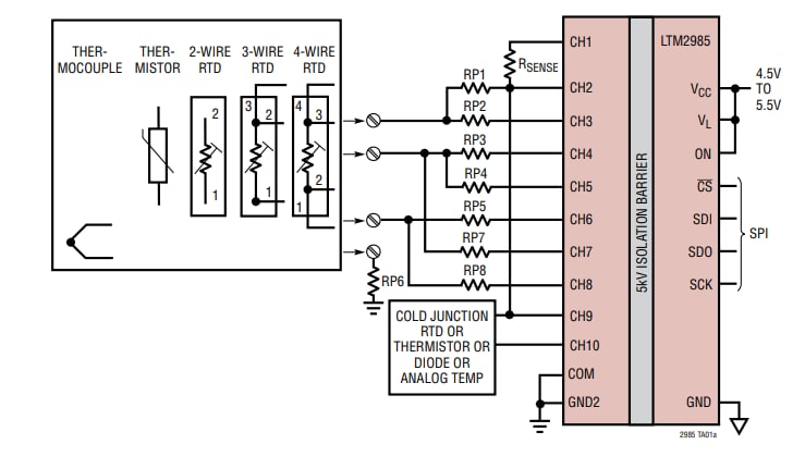
LTM2985提供與LTC2986-1相容的隔離式10通道溫度測量系統軟體,可為精密溫度轉位元轉換器提供5 kV的隔離式電源和SPI介面,同時整合使用者可程式EEPROM,以自訂感測器資料。
特點
- 5000Vrms隔離式電源和SPI介面
- 直接將2、3或4線RTD、熱電耦、熱敏電阻與二極體數位化
- 10個彈性輸入,可互換感測器
- 自動熱電耦冷接點補償
- 用於熱電偶、RTD和熱敏電阻的內建式標準和使用者可程式係數
- 自動偵測燒毀、短路和故障情形
- 緩衝輸入,用於外部保護
- 同時抑制50Hz/60Hz
- 內含15ppm/°C(最高)參考
- 內含特殊保護膜式
- 晶片內建的EEPROM可儲存通道組態資料和自訂係數
應用
- 直接熱電耦測量
- 直接RTD測量
- 直接熱敏電阻測量
- 自訂感測器應用
典型應用
典型溫度誤差成因
發佈日期: 2022-01-13
| 更新日期: 2022-03-11

