Analog Devices Inc. LTM4654混合降壓式μModule®匯流排轉換器
Analog Devices LTM4654混合降壓式µModule®匯流排轉換器是完整的300W Source/Sink輸出開關模式混合拓撲降壓式DC-DC電源µModule (微模組) 匯流排轉換器。LTM4654設計提供高達25A的輸出電流,由20V至55V的輸入電壓供電。這些Analog Devices轉換器採用緊湊型BGA封裝,整合了開關控制器IC、功率MOSFET、磁性元件和支援元件,大幅簡化電源系統設計並減少主機板空間。LTM4654具有固定在5:1的輸入輸出電壓比,非常適合用在電訊、工業和汽車應用中將高壓中間匯流排電源軌轉換為較低的電壓。LTM4654具有雙向操作、頻率同步、Burst Mode® 運作模式以及輸出電壓軟啟動和追蹤功能。內建溫度二極體可用於溫度監控。這些轉換器具有出色的熱性能、高功率密度,以及強大的保護功能(包括過電壓、過電流和過熱關機)。易於使用、高可靠性的LTM4654是一款強大的解決方案,提供給那些為嚴苛的環境尋求緊湊且高效電源轉換的設計人員。
特點
- 20V至55V輸入電壓範圍(57V絕對最大值)
- 4.5V至18V寬輸出電壓範圍 (VOUT <>IN/2)
- 96.7%效率(±15A輸出、48VIN 9V輸出電壓下)
- 最大總DC輸出誤差為±3%
- 高達300W 輸出功率(Source/Sink輸出)
- 可擴展以適應更高功率的應用
- 固定頻率電流模式控制
- 200kHz至1MHz相位可鎖定外部同步
- DC至DC切換動作之前,平衡CFLY和CMID的電壓,啟動時的浪涌電流低
- 輸出電壓跟蹤軟啟動
- 短路保護可調節重試定時器
- 過流和過溫保護
- 板載二極體溫度監視器
- 選配外部參考輸入
- 電源良好和FAULT輸出指示器
- -40°C至+125°C內部操作溫度範圍
- 120-lead,16mm × 16mm × 8.96mm, BGA封裝
- 符合RoHS規定
應用
- 非隔離中間匯流排電源架構
- 電訊、網路和測試/量測設備
- 工業
典型應用
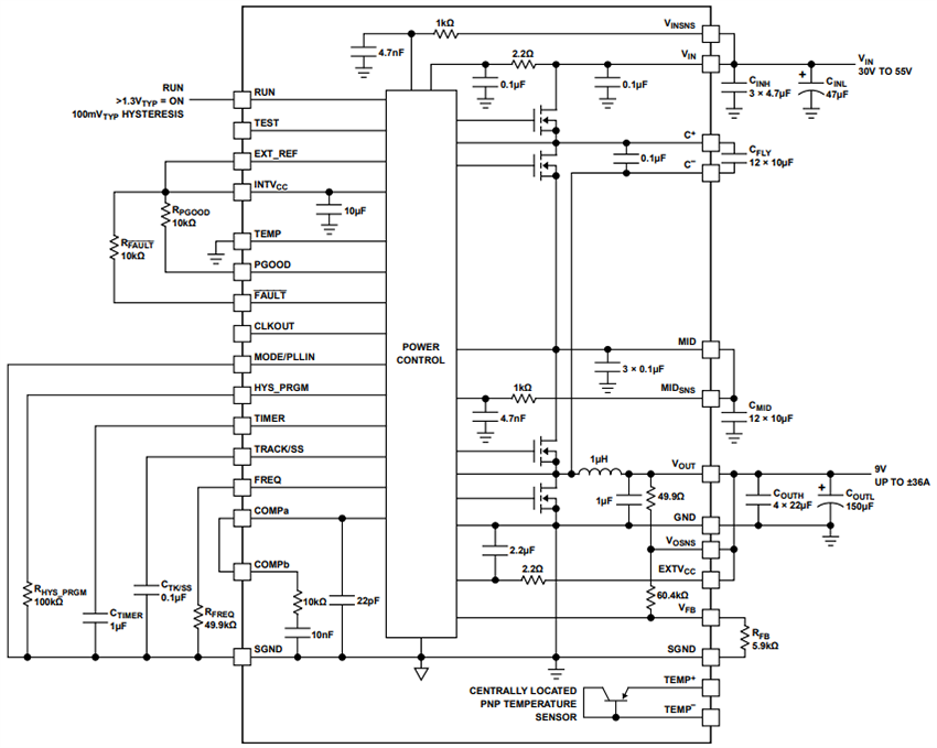
方塊圖
發佈日期: 2025-05-23
| 更新日期: 2025-05-28
