Analog Devices Inc. LTM8060 Silent Switcher® μModule®穩壓器
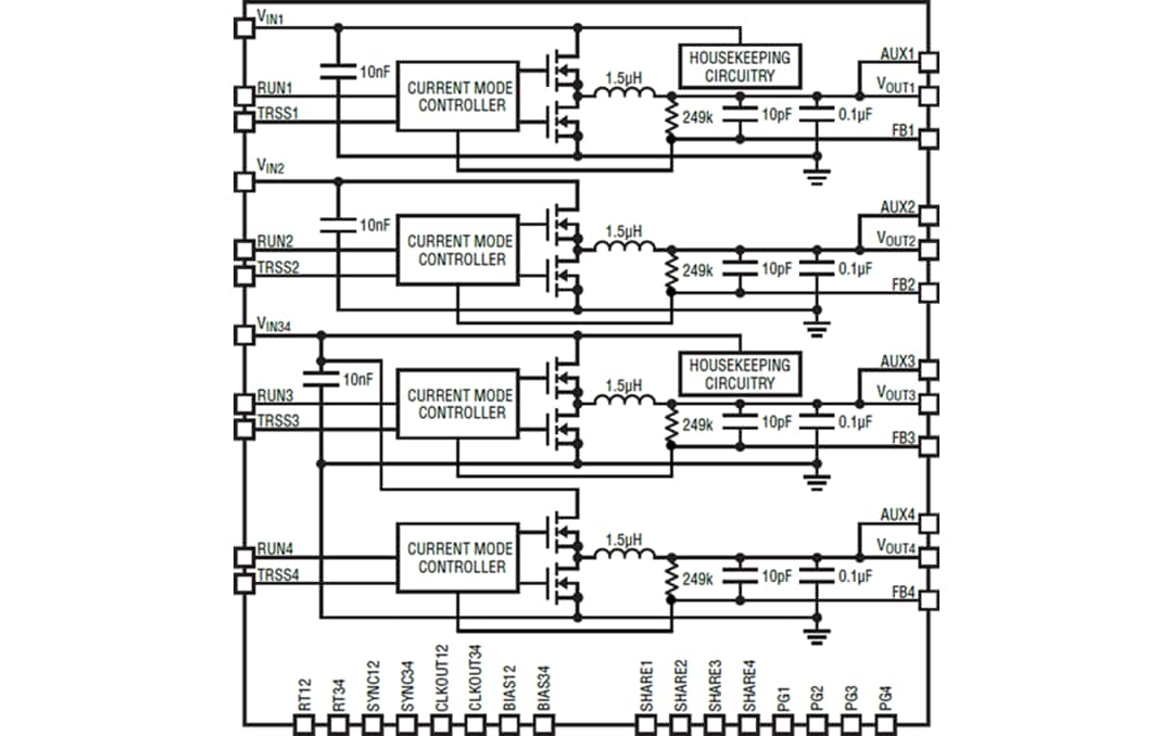
Analog Devices Inc. LTM8060 Silent Switcher® μModule®穩壓器是四個獨立的非絕緣式降壓式開關DC-DC電源,每通道可提供高達6A的峰值電流。Silent Switcher架構將EMI降至最低,同時以最高3MHz的頻率提供高效率。LTM8060 μModule封裝包含切換控制器、功率FET、電感器和支持組件。LTM8060以寬電壓範圍運行,支持0.8V至0V輸出電壓。開關頻率範圍以300kHz至3MHz運行,每一組均有單個電阻器。僅需大容量的輸入輸出濾波電容器即可完成設計。特點
- 四個完整的降壓開關電源
- 低雜訊靜音開關架構
- 符合CISPR22 B級標準
- 符合CISPR25 5級標準
- 3.0V至40.0V寬輸入電壓範圍
- 0.8V至8.0V寬輸出電壓範圍
- 每通道3A連續輸出電流(12.0VIN、3.3 VOUT、Ta = 80°C)
- 每通道4A連續輸出電流(12 VIN、3.3 VOUT、FSW = 2MHz、Ta = 60°C)
- 多相或多μModule可並行實現更高的輸出電流
- 低熱阻
- θJA = 9°C/W
- θJCtop = 4.2°C/W
- θJCbot = 1.6°C/W
- 可選200kHz至3MHz開關頻率
- 操作溫度範圍:-40°C至+125°C
- 小巧的11.9mm x 16mm x 3.32mm BGA165封裝
應用
- 自動測試設備
- 工業電源
- 醫療設備
影片
典型應用電路
結構圖
引腳配置
發佈日期: 2021-05-05
| 更新日期: 2024-12-03
