Maxim Integrated MAX14878–MAX14880 Isolated CAN Transceivers

Maxim Integrated MAX14878–MAX14880
隔離型CAN收發器

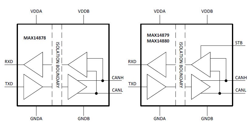
Maxim Integrated MAX14878–MAX14880隔離型CAN收發器是可改善通訊與安全的高速收發器。此可透過將裝置的CAN通訊協定控制器端與網路 (CAN) 匯流排之實際線路間的電流隔離加以整合來達成。

隔離可透過中斷接地迴路與降低噪音(其中在連接埠間有很大的接地電位差)來改善通訊。MAX14879提供高達2750VRMS(60秒)的電流隔離,而MAX14878/MAX14880提供高達5000VRMS(60秒)的電流隔離。

產品特色
  • 整合保護可讓通訊更健全
  • 2.75kVRMS或5kVRMS可承受隔離電壓60秒的時間(電流隔離)
  • ±25V接收器輸入共模範圍
  • 接收器輸入的±54V故障保護
  • 高效能收發器可啟用彈性設計
  • 1.71V至5.5V寬廣供應適用於CAN控制器介面

  • 兩個可用的16腳位SOIC封裝腳位配置
  • 資料率高達1Mbps(最大)
  • 主控逾時保護

應用
  • 工業控制
  • HVAC
  • 大樓自動化
  • 交換裝備
方塊圖
Block Diagram

MAX14880評估套件

Maxim Integrated MAX14880評估套件是經完全組裝與測試的PCB,可演示MAX14880隔離CAN收發器功能。套件使用單一3.3V電源運作,並以內建隔離電源供應為器特色,為電路的二次側提供電力。MAX14880EVKIT也可用來評估MAX14878和MAX14879。

產品特色
  • 使用單一3.3V電源運作
  • 端子台連接器可輕鬆進行RS-485/RS-422評估
  • 經60秒的5000VRMS隔離
  • 經完全組裝與測試
eNews
  • Maxim Integrated
發佈日期: 2017-10-04 | 更新日期: 2023-04-13