Analog Devices / Maxim Integrated MAX14912/MAX14913 Octal High-Side Switches

Analog Devices MAX14912/MAX14913 Octal High-Side Switches/Push-Pull Drivers have eight 640mA smart high-side switches that can also be configured as push-pull drivers for high-speed switching. The propagation delay from input to switching the high-side/low-side drivers is 1µs (maximum). Each high-side driver has a low on-resistance of 230mΩ (maximum) at 500mA load current at TA = 125°C. The device is configured and controlled either through pins or the SPI interface. The SPI interface is daisy-chainable, which allows efficient cascading of multiple devices. SPI also supports command mode for the highest detailed diagnostic information. The MAX14912 allows configuration through SPI in parallel and serial setting modes, while the MAX14913 only supports configuration through SPI in the serial setting mode.

Features

  • Low power and heat dissipation
    • 230mΩ (maximum) high-side RON @ TA = 125°C
    • High-efficiency 5V/100mA buck regulator
  • Fast switching is ideal for high-speed control systems
    • 0.1µs (typical) propagation delay (high-side mode)
    • 0.5µs (typical) propagation delay (push-pull mode)
    • 200kHz switching-rate capability in push-pull mode
    • Fast inductive load demagnetization
  • Robust operation
    • 60V Abs maximum VDD rating
    • Safe-demagnetization, turn-off of unlimited inductance
    • IEC61000-4-2 8kV air gap/6kV contact ESD protection
    • ±1kV/42Ω surge protection with TVS on VDD
    • Robust SPI interface with watchdog and CRC
    • -40°C to 125°C ambient operating temperature range
  • Extensive diagnostics reduces system downtime
    • Per driver and chip thermal shutdown
    • Open-wire detection in high-side mode
    • Low supply voltage warning
    • Undervoltage detection
    • Overvoltage detection on OUT
    • Overcurrent detection
    • LED drivers for visual fault and output state indication
  • Flexible interface for ease of design
    • Serial and/or parallel control interface
    • Per-channel configuration and monitoring
    • Wide logic voltage range (1.6V to 5.5V)
  • Small package and high integration enable compact high-density I/O modules
    • 56-Pin QFN 8mm x 8mm package dimensions
    • Eight high-side switches/push-pull drivers
    • Daisy-chainable SPI interface

Applications

  • Industrial digital outputs
  • PLC systems
  • Building automation

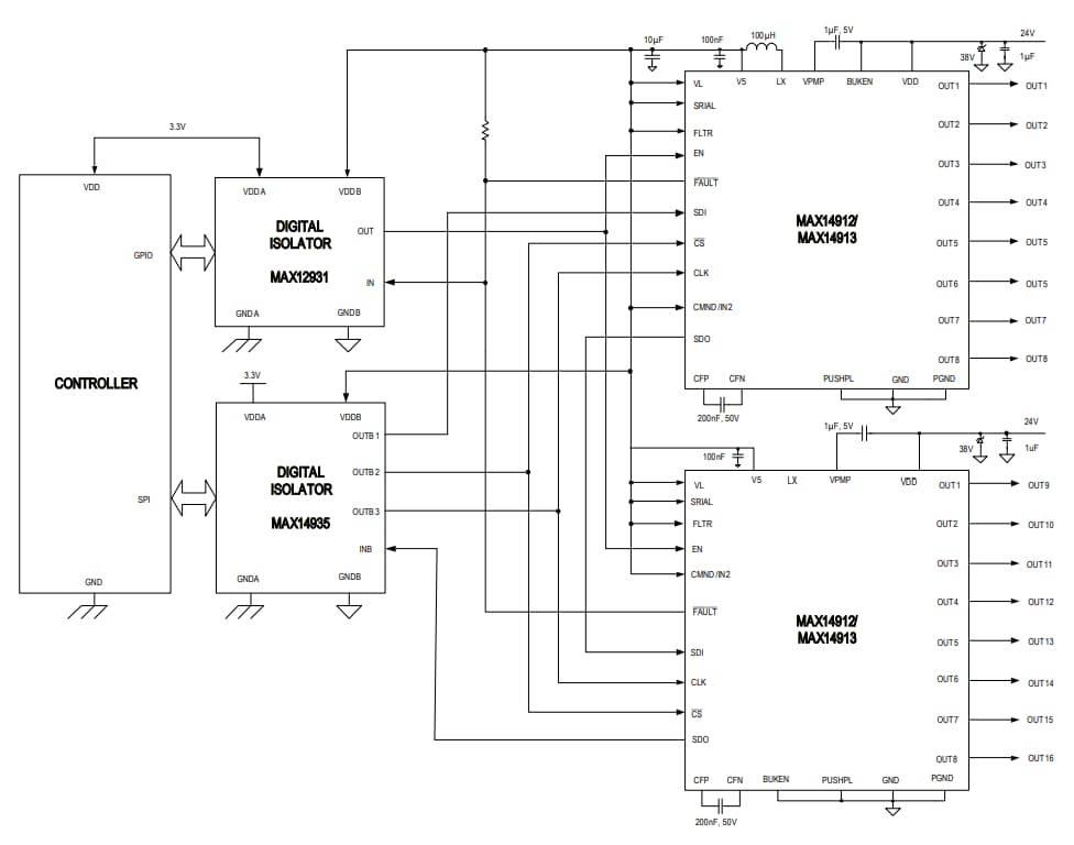
Typical Application Diagram

Application Circuit Diagram - Analog Devices / Maxim Integrated MAX14912/MAX14913 Octal High-Side Switches

Videos

發佈日期: 2017-02-24 | 更新日期: 2023-04-11