借助500mA的MAX17223及1A的MAX17225峰值電感器電流限制,可以靈活地選擇電感器。這些轉換器具有超低靜態電流、小型的總體解決方案尺寸,在整個負載範圍內都能保持高效。這些裝置理想適用於必須要求長電池壽命的電池應用。
Maxim Integrated MAX17220 - MAX17225 DC-DC轉換器採用小巧的2.0mm x 2.0mm μDFN6和0.88mm x 1.4mm WLP6封裝,理想適用於空間受限的應用。
特點
- 300nA靜態電源電流至輸出
- True Shutdown模式
- 0.5nA關機電流
- 斷開輸入與輸出的連接
- VOUT 0.0V至5.0V時無反向電流
- 95%峰值效率
- 400mV至5.5V輸入電壓範圍
- 輸出電壓範圍:1.8V至5.0V
- 100mV/步階
- 單個1%電阻可選輸出
- 0.88V最低啟動電壓
- 225mA、500mA和1A峰值電感器電流限制
- MAX17220/MAX17221:225mA ILIM
- MAX17222/MAX17223:500mA ILIM
- MAX17224/MAX17225:1A ILIM
- MAX17220/MAX17222/MAX17224實現瞬態保護(ETP)
- 封裝選項
- 2.0mm x 2.0mm 6引腳μDFN
- 0.88mm x 1.4mm 6-Bump WLP(2 x 3、0.4 mm 間距)
應用
- 光學心率監控(OHRM) LED驅動器
- 用於RTC/警報蜂鳴器的超級電容器備份
- 一次電池便擕式系統
- 微型、低功率物聯網感測器
- 二次電池便擕式系統
- 可穿戴裝置
- 電池供電醫療裝置
- 低功率無線通訊產品
影片
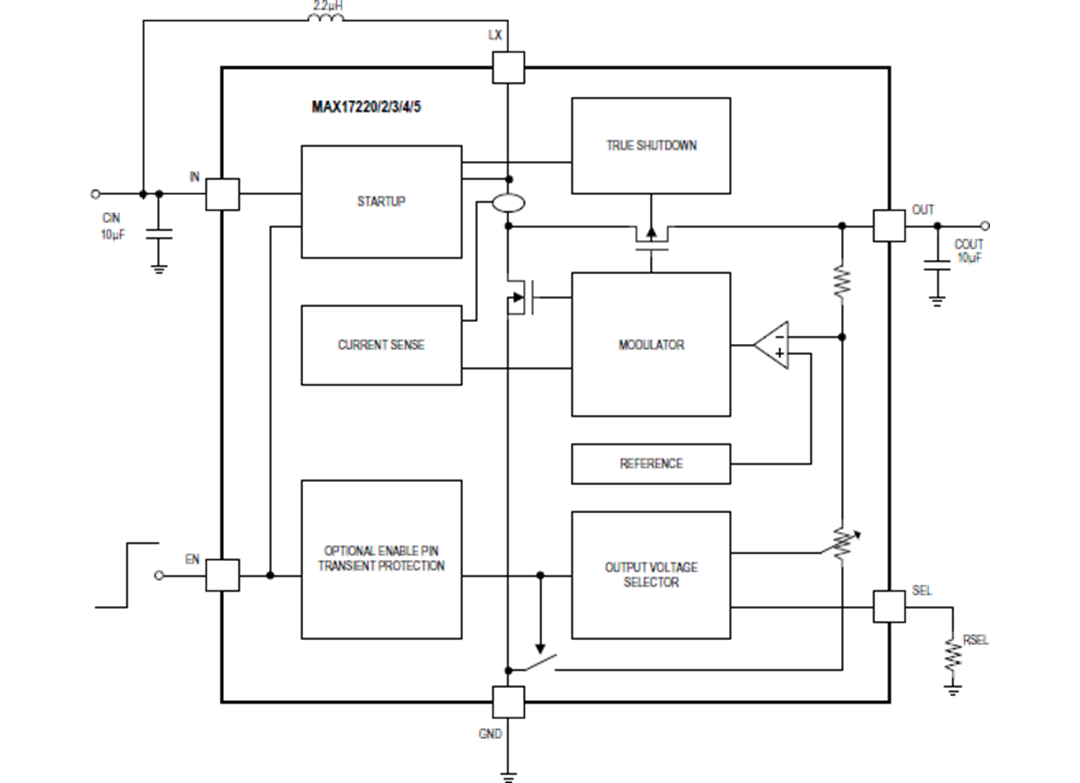
方塊圖
典型應用電路
發佈日期: 2017-10-19
| 更新日期: 2025-08-25

