Analog Devices / Maxim Integrated MAX17263GEVKIT Evaluation Kit
Analog Devices MAX17263GEVKIT Evaluation Kit is a fully assembled and tested surface-mount PCB that evaluates the stand-alone ModelGauge™ m5 host-side fuel-gauge ICs. This kit includes a Maxim DS91230+ USB interface, IC evaluation board, and RJ-11 connection cable. The MAX17263GEVKIT kit requires Windows® 7 or newer operating system to use with the Graphical User Interface (GUI) software. This evaluation board features an onboard LED array, thermistor measurement network, optional onboard PCB trace sense resistor, and a proven PCB layout.Features
- ModelGauge m5 algorithm
- Monitors single-cell or multi-cell packs
- Onboard LED array
- Thermistor measurement network
- Optional onboard PCB trace sense resistor
- Windows 7 or newer compatible software
- Proven PCB layout
- Fully assembled and tested
Required Equipment
- MAX17263GEVKIT evaluation kit
- A lithium battery pack of the desired configuration
- Battery charger or power supply
- Load circuit
- DS91230+ USB adapter
- RJ-11 6pos reverse modular cord
- PC with Windows 7 or newer Windows operating system and USB port
Videos
Application Circuit Diagram
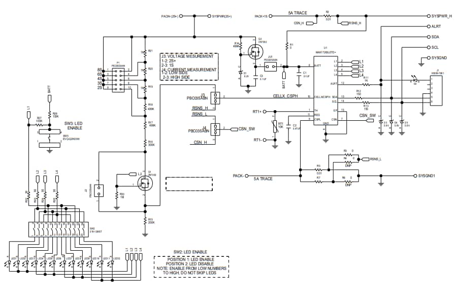
Board Schematic
發佈日期: 2018-08-19
| 更新日期: 2023-04-25
