Analog Devices / Maxim Integrated MAX17662 Synchronous Step-Down DC-DC Converter
Analog Devices Inc. MAX17662 Synchronous Step-Down DC-DC Converter has integrated MOSFETs operating over an input-voltage range of 3.5V to 36V. It can deliver up to 2A current. The output voltage is programmable from 0.6V up to 90% of VIN. Built-in compensation across the output-voltage range eliminates the need for external compensation components. The MAX17662 features a peak-current-mode control architecture. The MAX17662 can be operated in forced pulse-width modulation (PWM) or discontinuous-conduction mode (DCM) to enable high efficiency under full-load and light-load conditions. The MAX17662 offers a low minimum on-time that allows high switching frequencies and a smaller solution size. The feedback-voltage regulation accuracy over -40°C to +125°C is ±1.33%. The ADI MAX17662 DC-DC Converter is available in a compact 3mm x 3mm TQFN16 package, ideal for space-constrained applications.Features
- Reduces external components and total cost
- No Schottky—synchronous operation
- Internal compensation components
- All-ceramic capacitors, compact layout
- Reduces the number of DC-DC regulators to stock
- Wide 3.5V to 36V input
- Adjustable output voltage range from 0.6V up to 90% of VIN
- Delivers up to 2A over the temperature range
- 400kHz to 2.2MHz adjustable frequency
- Available in a 16-pin, 3mm x 3mm TQFN package
- Reduces power dissipation
- Peak efficiency of 95%
- DCM mode enables enhanced light-load efficiency
- Wide 2.4V to 12V bootstrap bias input (EXTVCC) for improved efficiency
- 6.5μA shutdown current
- Operates reliably in adverse industrial environments
- Hiccup-mode overload protection
- Adjustable and monotonic startup with pre-biased output voltage
- Built-in output-voltage monitoring with RESET
- Programmable EN/UVLO threshold
- Overtemperature protection
- High industrial -40°C to +125°C ambient operating temperature range/-40°C to +150°C junction temperature range
Applications
- Industrial control power supplies
- General-purpose Point-of-Load
- Distributed supply regulation
- Base station power supplies
- Wall transformer regulation
- High-voltage, single-board systems
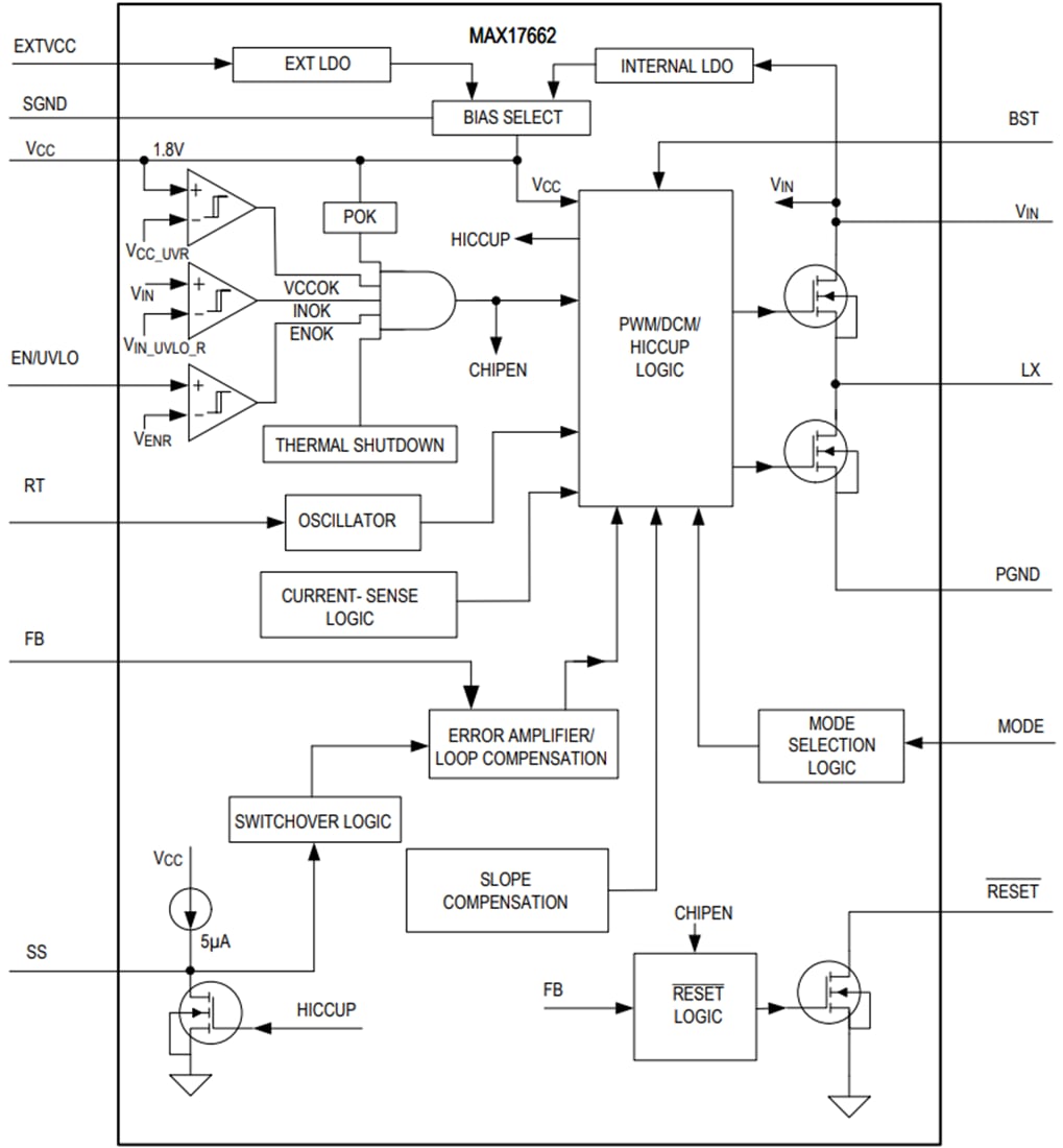
Block Diagram
發佈日期: 2019-12-12
| 更新日期: 2023-05-08
