裝置的類比前端結合12通道的電壓測量資料擷取系統,和高電壓的切換槽輸入。每個電池芯皆是以差分方式進行所有測量。全尺度測量範圍介於0至5.0V,可用範圍為0.2V至4.8V。裝置使用高速連續漸進 (SAR) A/D 轉換器,以14位元解析度將電池芯電壓數位化,並內含超取樣功能。所有12個電池芯只需不到142 µs就能完成測量。MAX17843使用兩次掃描的方式收集電池芯測量結果,並修正當中的錯誤。此兩階段方式使裝置在整個溫度範圍都能維持高精準度,且即使系統內有非常高的雜訊亦不受影響。
MAX17843有兩個輔助類比輸入,可用來測量外部的熱敏電阻元件。可在AUXIN類比輸入上加入負溫度係數 (NTC) 熱敏電阻,以準確監控模組或電池芯的溫度。熱過載偵測器可停用MAX17843的線性穩壓器,為IC提供保護,另外亦具備晶粒溫度測量功能。
特點
- 12電池芯的電池電壓測量,適用於鋰離子電池、鎳氫電池或超級電容電池
- 兩個輔助類比輸入,可用於NTC熱敏電阻或絕對電壓測量
- 晶粒溫度測量和警示
- 高精準度的差分測量I/O
- +25°C和3.6V時可達±2 mV精準度
- 整合12通道資料擷取系統
- 差分高電壓Mux轉ADC
- 14位元ADC解析度,含超取樣
- 可在142 μs內測量12個電池芯的電壓
- 模組電壓測量
- 備援ADC
- 電池故障偵測
- 過電壓和欠壓數位閾值偵測
- 可偵測故障的強化診斷功能,支援ASIL和FMEA
- 12個內部電池芯平衡開關
- 每開關支援最高150mA
- 緊急電池芯放電模式
- 整合9V至65V輸入線性穩壓器
- 整合溫度補償的電壓參考
- 可靠穩固的差分菊鏈UART介面
- 單一菊鏈最多可連線32個IC
- 與直接MCU連線相容
- 標準UART位元組,速率2 Mb/s(最高)
- 四條通用型數位I/O線路
- 內建診斷功能,可支援ASIL D和FMEA需求
- 超低功率消耗
- 2.0mA(典型值)待機模式供應電流
- 3µA關機模式漏電流
- -40°C至+125°C作業溫度範圍 (AEC-Q100 Grade 1)
- 64腳位,符合無鉛/RoHS標準,10 mm x 10 mm LQFP封裝
應用
- 48V汽車電池模組或系統
- 電池組
- 電動自行車
- 高功率備用電池系統
- 高電壓電動車 (EV)
- 油電混合車 (HEV)
- 電動工具
- 超級電容備用系統
影片
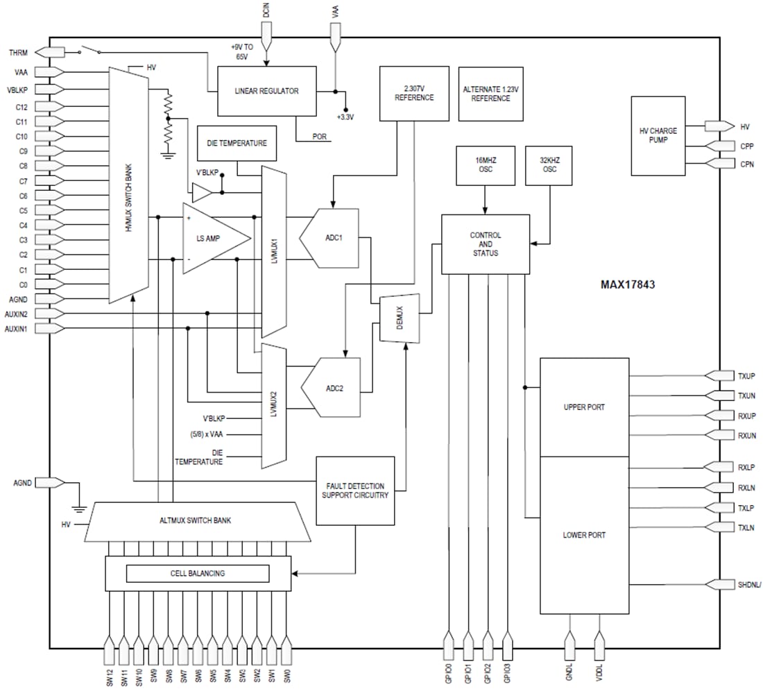
功能方塊圖
發佈日期: 2020-01-10
| 更新日期: 2024-04-16

