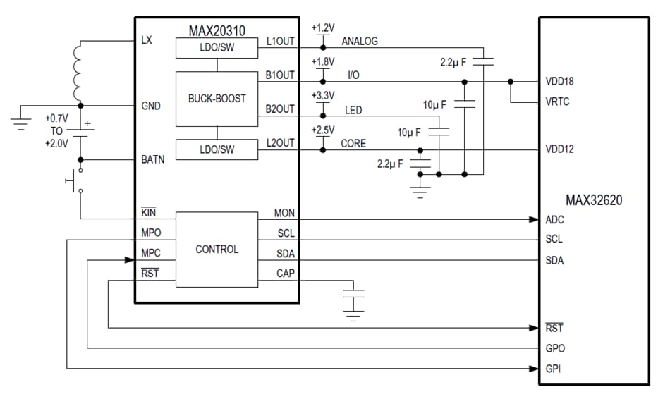
MAX20310 PMIC提供輸出電壓可高於或低於電池電壓的架構,支援電壓最低至0.7V的鋅空氣電池、氧化銀電池或鹼性電池應用。可程式的電源控制器提供了延遲重設訊號、電壓定序,和可自訂的按鈕定序,適用於開/關控制和恢復硬體重設。此控制器也可設定裝置,以用於需要真正關閉狀態的應用,或用於隨時開啟的應用。MAX20310可在-40°C至+85°C寬廣的溫度範圍下作業,提供16凸塊0.4mm間距的1.63mm x 1.63mm晶圓級封裝 (WLP)。
特點
- 延長系統電池使用時間
- 單電感多輸出 (SIMO) 超低IQ降壓升壓穩壓器
- 電池輸入電壓0.7V至2.0V
- 輸出電壓可設定0.9V至4.05V
- 250mW最高總輸入功率
- 增量CAP靜態電流每通道1μA
- 1.8V、10mA輸出下,效率達84%
- 輸入電流限制
- 雙超低IQ 50mA LDO
- 輸入由雙降壓升壓輸出供應
- 輸出可設定0.5V至3.65V
- 每LDO靜態電流1.1μA/每負載開關600nA
- 可設定為負載開關
- 單電感多輸出 (SIMO) 超低IQ降壓升壓穩壓器
- 可延長產品儲存壽命
- 電池密封模式
- 10nA 電池電流(典型值)
- 電池密封模式
- 最小化電路板空間
- 1.63mm x 1.63mm WLP
- 容易實作系統控制
- 電壓監控多工器
- 1%準確度的電池變頻器(1.0V下為±10mV)
- 電源按鈕監控器
- 緩衝輸出
- 電源定序
- 重設輸出
- I2C控制介面
- 電壓監控多工器
應用
- 穿戴式醫療裝置
- 穿戴式健身裝置
- 可攜式醫療裝置
MAX20310應用電路
發佈日期: 2018-04-17
| 更新日期: 2023-04-12

