特點
- 八個半橋,最高+36V
- 高效能
- 低導通電阻:RDS(on) 200mΩ 典型值 (TA = +25°C)
- 每個半橋的連續輸出電流高達1ARMS (TA = +25°C)
- 電流驅動調節 (CDR)
- 電壓驅動調節 (VDR)
- 整合無耗損電流感測 (ICS)
- 高彈性
- 每個通道可獨立設定HIT和HOLD電流(IHIT、IHOLD)
- 每個通道可獨立設定HIT電流時序 (tHIT)
- 支援全橋組態
- 支援並聯模式
- 高速序列介面 (SPI)
- 菊鏈組態:5MHz
- 無菊鏈:10MHz
- 保護與診斷功能
- 過電流保護 (OCP)
- 開路負載偵測 (OL)
- 柱塞運動偵測 (DPM)
- 欠壓鎖定 (UVLO)
- 未達到HIT電流 (HHF)
- 過熱關機T = +145°C (TSD)
- 用於診斷目的的故障暫存器
- 整合:
- TQFN-32 5mm x 5mm封裝
應用
- 繼電驅動器
- 電磁閥、閥門、電磁驅動器
- 一般低側和高側開關應用
- 閂鎖(雙重穩定)電磁閥驅動器
- 有刷DC馬達驅動器
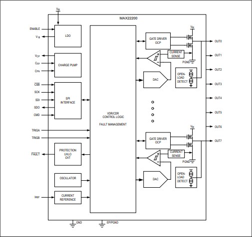
方塊圖
影片
發佈日期: 2021-05-04
| 更新日期: 2023-04-13

