特點
- 可配置的穩定通訊
- 動態纜線終端可提升高速應用的訊號品質
- 用於低EMI的可調節轉換速率
- 1000米UTP纜線的最大資料傳輸率高達200kbps
- 可程式接收器閾值
- 節省空間
- 4mm x 4mm TQFN封裝
- 腳位至腳位與MAX22088相容
- 整合保護
- 符合IEC 61000-4-2 ±8kV接觸放電和15kV空氣放電ESD保護標準
- 所選外部組件提供IEC 61000-4-5 ±1kV暫態突波保護
- -40°C至+125°C操作溫度範圍
應用
- 暖通空調
- 建築控制器
- 工業物聯網
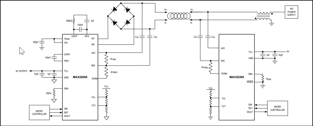
簡單家用匯流排系統 (HBS)
發佈日期: 2021-10-08
| 更新日期: 2023-04-17

