MAX22445隔離器提供25Mbps或200Mbps的資料傳輸速率,隔離器兩端分別使用獨立的1.71V至5.5V電源供應,並提供3種方向組態。本裝置可在-40°C至125°C溫度範圍下運作。MAX22445 4通道數位隔離器採用16腳位寬體SOIC封裝,漏電距離和間隙為8mm。其典型應用包括隔離式SPI介面、電池管理、隔離式RS-485/RS-422和醫療系統。
特點
- 採用Maxim專利製程技術
- 經強化的電流隔離功能,可快速傳輸數位訊號:
- 最高資料傳輸速率200Mbps
- 可耐受5kVRMS長達60秒
- 可持續耐受1500VRMS
- 可耐受GNDA和GNDB之間1.2/50μs波形的±10kV突波
- 低耗電量:
- 每通道在1Mbps和1.8VDD下為0.74mW
- 每通道在1Mbps和3.3VDD下為1.4mW
- 每通道在100Mbps和1.8VDD下為3.2mW
- 提供多種選項可支援廣泛應用:
- 2種最高資料傳輸速率(200Mbps或25Mbps)
- 3種方向組態
- 高電位有效或低電位有效啟用輸入
- 2種固定輸出預設狀態(高/低)或透過腳位選擇(M/N版本)
應用
- 隔離式SPI介面
- 工業自動化的Fieldbus通訊
- 隔離式RS-485/RS-422與控制器區域網路 (CAN)
- 電池管理
- 醫療系統
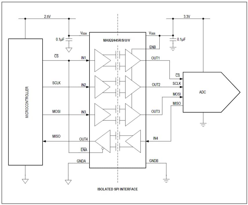
MAX22445應用方塊圖
View Results ( 13 ) Page
| 零件編號 | 規格書 | 極性 | 數據率 | 絕緣類型 | 傳播延遲時間 | 最長下降時間 | 最長上升時間 |
|---|---|---|---|---|---|---|---|
| MAX22444CAWE+ | ![]() |
Unidirectional | 200 Mb/s | Galvanic Isolation | 6.1 ns | 3 ns | 2.4 ns |
| MAX22445EAWE+ | ![]() |
Unidirectional | 25 Mb/s, 200 Mb/s | Capacitive Coupling | |||
| MAX22441CAEE+ | ![]() |
||||||
| MAX22445FAWE+ | ![]() |
Unidirectional | 25 Mb/s, 200 Mb/s | Capacitive Coupling | 5.7 ns | 3 ns | 2.4 ns |
| MAX22446CAWE+ | ![]() |
Unidirectional | 25 Mb/s, 200 Mb/s | Capacitive Coupling | 6.1 ns | 3 ns | 2.4 ns |
| MAX22441FAEE+ | ![]() |
||||||
| MAX22446EAWE+ | ![]() |
Bidirectional | 25 Mb/s, 200 Mb/s | Galvanic Isolation | 24.2 ns | 0.8 ns | 1 ns |
| MAX22446EAWE+T | ![]() |
Bidirectional | 25 Mb/s, 200 Mb/s | Galvanic Isolation | 24.2 ns | 0.8 ns | 1 ns |
| MAX22446CAWE+T | ![]() |
Unidirectional | 25 Mb/s, 200 Mb/s | Capacitive Coupling | 12 ns | 3 ns | 2.4 ns |
| MAX22441CAEE+T | ![]() |
發佈日期: 2018-06-27
| 更新日期: 2023-06-27


