Analog Devices / Maxim Integrated MAX22506E Half-Duplex RS-485/RS-422 Transceiver
Analog Devices MAX22506E Half-Duplex RS-485/RS-422 Transceiver is optimized for high-speed communication up to 50Mbps. This transceiver features integrated hot-swap protection and a fail-safe receiver that ensures logic-high on the receiver output when input signals are short/open for longer than 10μs(typical). The MAX22506E half-duplex RS-485/RS-422 transceiver provides a large receiver hysteresis that improves noise rejection and improved signal integrity.This transceiver operates at the -40°C to 125°C temperature range and is available in an 8-pin SOIC and an 8-pin μMAX package. The MAX22506E transceiver is designed to operate in harsh industrial environments and is optimized for robust communication in environments with high levels of Electromagnetic Interference (EMI). Typical applications include motion control, encoder interfaces, field bus networks, industrial control systems, and backplane buses.
Features
- Integrated protection increases robustness:
- -15V to 15V common-mode range
- ±15kV ESD protection (Human body model)
- ±7kV IEC 61000-4-2 air-gap ESD protection
- ±6kV IEC 61000-4-2 contact discharge ESD protection
- Withstands over ±4kV EFT
- Driver outputs are short-circuit protected
- High-speed operation over long distances:
- Up to 50Mbps data rate
- High receiver sensitivity
- Wide receiver bandwidth
- Symmetrical receiver thresholds
Specifications
- -65°C to 150°C storage temperature range
- 3V to 5.5V supply voltage range
- -40°C to 125°C operating temperature range
- Low 5μA(max) shutdown current
Applications
- Motion control
- Encoder interfaces
- Field bus networks
- Industrial control systems
- Backplane buses
Block Diagram
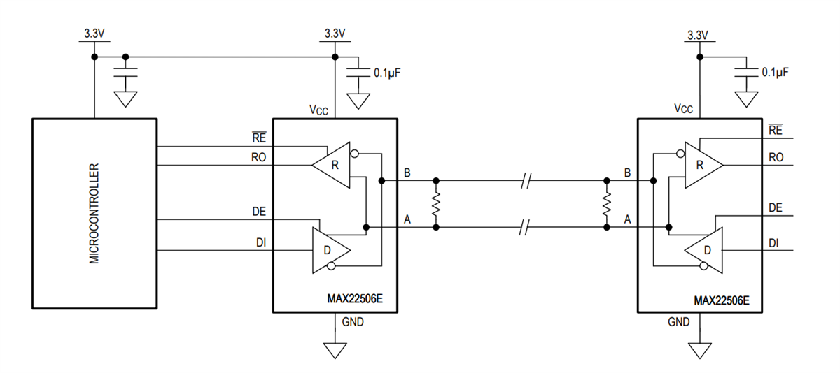
Application Circuit Diagram
發佈日期: 2021-03-30
| 更新日期: 2024-05-23
