特點
- 雙通道降壓轉換器
- 寬輸入電壓範圍:3.0V至36V(最高42V)
- 低關機供應電流(最高6.5 µA)
- 在單通道開啟下,具低操作靜態電流(典型值12 µA)
- 可設定VOUT範圍,介於0.8V至14V
- 每通道最高8A
- 兩個轉換器之間為180°反相作業
- 最短導通時間:24 ns(典型值)
- 雙相/四相作業
- 能平行操作兩個IC以實現四相作業
- ±10%電流共用準確度
- 雙相最高支援16A,四相最高支援32A
- 診斷與備援電路 (MAX25255)
- 符合ASIL B標準
- 備援參照
- 晶片、溫度監控器
- 精準的過電壓和欠壓保護
- 一般特性
- 23腳位,4.50 mm x 5.75 mm FC2QFN封裝
- 環境作業溫度:-40°C至+125°C
- AEC-Q100等級
- 切換頻率選項:200 kHz、400 kHz、1 MHz或2 MHz
- 展頻
應用
- 中控台的前端電源供應
- ASIL
- 一般用途的雙通道降壓轉換器
- 遙測模組
- 前端攝影機電源
影片
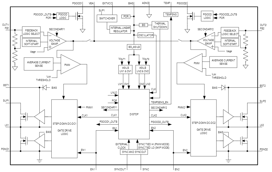
簡化方塊圖
發佈日期: 2022-11-29
| 更新日期: 2025-04-15

