Analog Devices / Maxim Integrated MAX33053E 2Mbps CAN Transceiver
Analog Devices MAX33053E 2Mbps Control Area Network (CAN) Transceiver is a 3.3V transceiver with integrated protection for industrial applications. The MAX33053E transceiver features a Silent (S) pin that enables and disables the transmitter for applications where only reception is required. This transceiver comes with extended ±65V fault protection for equipment that requires overvoltage protection. The MAX33053E transceiver also incorporates a high ±25kV ESD Human Body Model (HBM) and ±25V input Common Mode Range (CMR). This CMR exceeds ISO11898 specification of -2V to 7V. The Analog Devices MAX33053E CAN transceiver provides a low-current standby mode, 1.62V to 3.6V Logic-Supply (VL) range, and a slow slew rate to minimize EMI. Typical applications include programmable logic controllers, industrial automation, building automation, instrumentation, smart grid equipment, drone, and motor control.Features
- Integrated protection increases robustness
- ±65V fault tolerant CANH and CANL
- ±25kV ESD HBM (Human Body Model)
- ±25V extended Common Mode Input Range (CMR)
- Transmitter dominant timeout prevents lockup
- Short-circuit protection
- Thermal shutdown
- Family provides flexible design options
- Slow slew rate to minimize EMI
- Silent mode (S) disables the transmitter
- 1.62V to 3.6V logic-supply VL range
- Up to 2Mbps high-speed operation
- -40°C to +125°C operating temperature range
- 8-pin Small Outline Integrated Circuit (SOIC) package
Applications
- Programmable logic controller
- Industrial automation
- Building automation
- Instrumentation
- Smart grid equipment
- Drone
- Motor control
Block Diagram
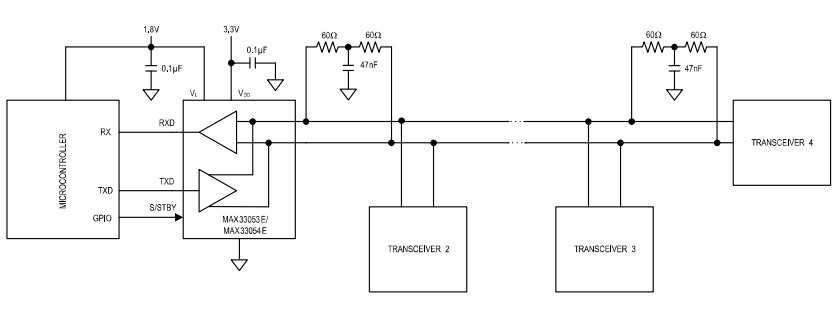
Application Circuit Diagram
Operational Characteristics
Pin Configuration
發佈日期: 2018-09-11
| 更新日期: 2023-04-24
