Analog Devices / Maxim Integrated MAX38889 Reversible Buck/Boost Regulator

Analog Devices Inc. MAX38889 Reversible Buck/Boost Regulator is designed for backup applications. The MAX38889 offers a 2.5V to 5.5V system output voltage range, ±1% threshold accuracy, and 94% peak efficiency in charging or discharging mode. ADI Maxim MAX38889 Reversible Buck/Boost Regulator is housed in a 3mm x 3mm, 16-Pin TQFN package.

Features

  • 2.5V to 5.5V System output voltage range
  • 0.5V to 5.5V Supercapacitor voltage range
  • ±1% Threshold accuracy
  • 2.5% Hysteresis between backup and charging
  • 1A to 3A Peak inductor current limit
    • Peak inductor current is pin-programmable over 1A to 3A through external resistor
  • 94% Peak efficiency, charging or discharging mode
  • 4µA Quiescent current in ready state
    • After supercapacitor is charged, draws only 4µA of quiescent current
  • Ready and backup state outputs
    • RDY and BKB flags provide real-time status to system
  • 3mm x 3mm, 16-Pin TQFN package

Applications

  • Handheld industrial equipment
  • Portable devices/computers with removable battery
  • Industrial sensor and actuators
  • Aftermarket automotive tracking

Functional Diagram

Block Diagram - Analog Devices / Maxim Integrated MAX38889 Reversible Buck/Boost Regulator

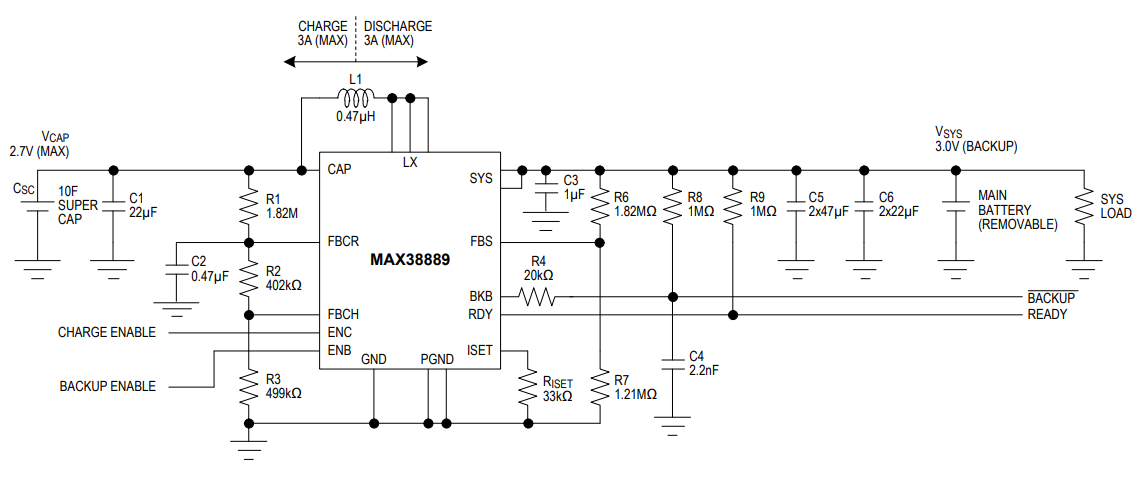
Application Circuit

Application Circuit Diagram - Analog Devices / Maxim Integrated MAX38889 Reversible Buck/Boost Regulator
發佈日期: 2021-04-19 | 更新日期: 2023-04-13