Analog Devices / Maxim Integrated MAX40242 Dual Operational Amplifier
Analog Devices MAX40242 Dual Operational Amplifier combines high voltage, low noise, and low input bias current in a dual channel and features rail-to-rail at the output. This dual amplifier operates over a wide supply voltage range, from a single 2.7V to 20V supply, or split ±1.35V to ±10V supplies, and consumes only 1.2mA quiescent supply current per channel. The MAX40242 is a unity-gain-stable amplifier with a gain-bandwidth product of 10MHz. The device outputs drive up to 200pF load capacitor without external isolation resistor compensation. The MAX40242 is available in 8-thin wafer-level packages (WLPs) and is rated for operation over the -40°C to +125°C automotive temperature range.Features
- 2.7V to 20V single supply or ±1.35V to ±10V dual supplies
- 2pA (max) input cias current
- 5nV/√Hz input voltage noise
- 10MHz bandwidth
- 8V/μs slew rate
- Rail-to-rail output
- Integrated EMI filters
- 1.2mA supply current per amplifier
- 0.85mm x 1.65mm 8-WLP
Applications
- Chemical sensor interface
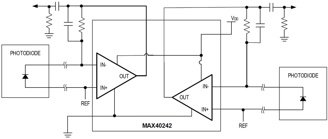
- Photodiode sensor interface
- Medical pulse oximetry
- Industrial: process and control
- Precision instrumentation
Typical Application Circuit
發佈日期: 2019-01-04
| 更新日期: 2023-04-24
