Analog Devices / Maxim Integrated MAX5992A/MAX5992B Powered Device Controllers
Analog Devices MAX5992A/MAX5992B Powered Device Controllers provide interface control for PDs to comply with the IEEE® 802.3af/at standard. The controllers are used in a Power-over-Ethernet (PoE) system. The devices provide the PD with a detection signature, classification signature, and an isolation MOSFET driver with current-limit control. In addition, the intelligent maintain power signature (MPS) and active FET bridge control make the PD more power efficient. The devices feature a SIG_OK output signal for high-power Multi-2P PD applications.Features
- IEEE 802.3af/at-compliant
- UPoE compatible
- High-power 2x2P/Multi-PD synchronization/multi-PD redundancy
- Integrated active FET bridge control and back-powering protection
- Selectable UVLO for medical/industrial applications
- 2-level inrush-current control
- Intelligent MPS
- Simplified wall adapter interface for seamless power transition
- Ultra-low-power/sleep mode
- 2-event classification or an external wall adapter indicator output
- PoE classification 0 to 5
- Gate driver for external isolation MOSFET
- Selectable current limit and foldback
- RJ45 12V supply input
- 6.5s sleep mode delay
Applications
- IEEE 802.3af/at-powered devices (PD)
- Universal power-over-ethernet (UPoE)
- Femtocell, picocell, microcell
- High-power 2x2P PD
- Multi-PD redundancy
- Fiber-to-the-home/building (FTTH/FTTB)
- IP phones
- Wireless access nodes
- IP security cameras (IPC)
- WiMAX® base stations
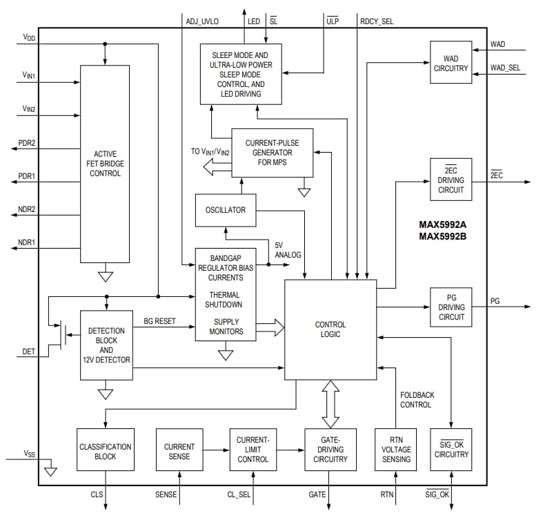
Block Diagram
發佈日期: 2019-06-24
| 更新日期: 2023-04-17
