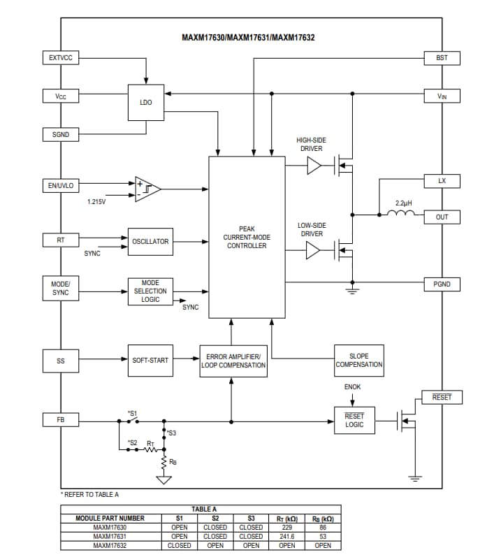
電源模組的作業電壓介於4.5V至36V,可提供最高1A的輸出電流。MAXM17630和MAXM17631分別為固定輸出3.3V和5V的模組。MAXM17632為可調整輸出(0.9V至12V)的模組。這些裝置能提供真正的隨插即用電源供應解決方案,可大幅降低設計複雜度和製造風險,縮短產品上市時間。橫跨輸出電壓範圍的內建補償功能,可消除對外部補償元件的需求。
MAXM17630/MAXM17631/MAXM17632電源模組採用峰值電流模式控制架構,能以脈寬調變 (PWM)、脈衝頻率調變 (PFM) 或不連續導通模式 (DCM) 作業,在輕負載條件下維持高效率。全系列模組在-40°C至+125°C範圍內的反饋電壓調節準確度為±1.2%。
MAXM17630/MAXM17631/MAXM17632電源模組提供低矮小巧的16腳位、3 mm x 3 mm x 1.75 mm、uSLIC™封裝,且有模擬模型可用。
特點
- 易於使用
- 4.5V至36V寬廣輸入
- 0.9V至12V可調整輸出 (MAXM17632)
- 固定3.3V和5V輸出版本(MAXM17630和MAXM17631)
- 400 kHz至2.2 MHz可調整頻率,支援外部時脈同步
- 反饋準確度達±1.2%
- 最高1A輸出電流
- 內建補償功能
- 全面採用陶瓷電容器
- 高效率
- 可選PWM、PFM或DCM作業模式
- 輔助自舉供電 (EXTVCC),可改善效率
- 關機電流最低到2.8 μA(典型值)
- 彈性設計
- 可調整的單調啟動,含預偏壓輸出電壓
- 內建輸出電壓監控,具備RESET腳位
- 可程式EN/UVLO閾值
- 運作可靠耐用
- Hiccup模式過載保護
- 過熱保護
- -40°C至+125°C環境作業溫度/-40°C至+150°C接點溫度
- 堅固耐用
- 符合CISPR22 (EN55022) Class B傳導及輻射發射限制
- 通過的墜落、衝擊和震動標準:JESD22-B103、B104、B111
應用
- 工業控制電源供應器
- 一般用途負載點
- 分散式供電調節
- 基地台電源供應器
- 高電壓單板系統
- 可程式邏輯控制器
影片
MAXM17631典型應用
MAXM17632典型應用
功能圖
發佈日期: 2020-02-18
| 更新日期: 2025-08-07

