Analog Devices Inc. MAXM17712/20/24 PMICs
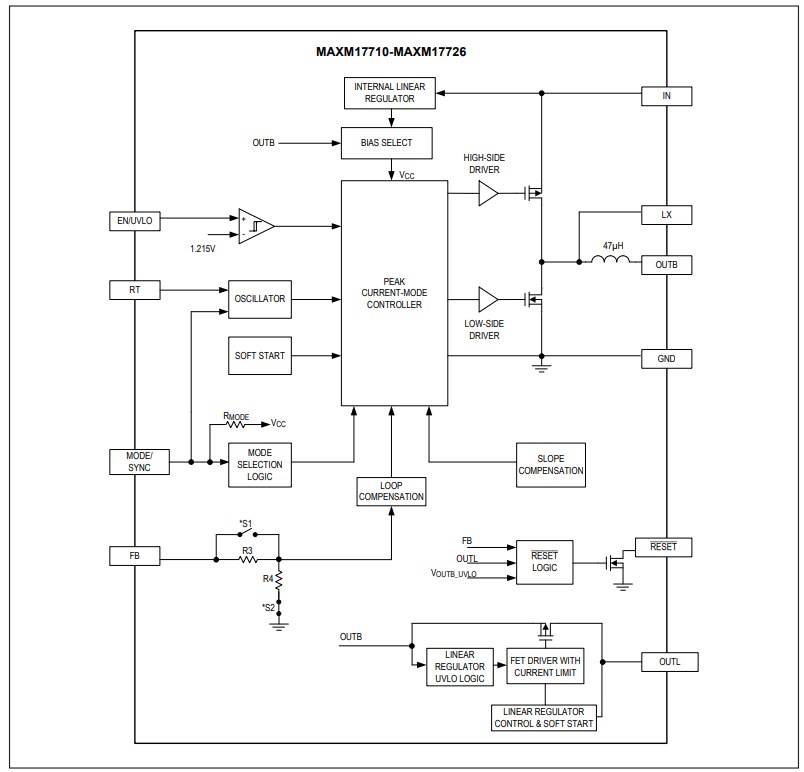
Analog Devices Inc. MAXM17712/20/24 Power Management Specialized ICs (PMICs) are Himalaya micro System-Level IC (µSLIC) power modules that enable cooler, smaller, and simpler power supply solutions. These ICs integrate a high-efficiency 150mA synchronous step-down DC-DC converter and a high PSRR, low noise, and 50mA linear regulator into µSLIC™ power modules. The PMICs operate over a wide input voltage range of 4V to 60V. The step-down converter and the linear regulator can deliver output currents up to 150mA and 50mA.The output of the DC-DC converters serves as the input to the linear regulators. These linear regulators offer fixed output voltages between 1.2V and 3.3V in different modules. The MAXM17712/20/24 modules are available in a low profile and 2.6mm x 3mm x 1.5mm µSLIC package. Typical applications include industrial sensors, HVAC and building control, battery-powered equipment, and LDO replacement.
Features
- Easy to use:
- Wide 4V to 60V input step-down converter
- Adjustable and fixed output voltage modules
- Internal inductor and compensation
- Up to 150mA output current from a step-down converter
- ±1.3% accuracy for linear regulator output and ±2% FB accuracy for step-down converter
- All-ceramic capacitors, compact layout
- Built-in 50mA high PSRR linear voltage regulator
- High efficiency:
- Selectable PWM or PFM mode operation
- PFM enables enhanced light-load efficiency
- 2.5µA shutdown current
- 70µA no-load supply current
- Rugged:
- Complies with CISPR22(EN55022) Class B conducted and radiated emissions
- Passes JESD22-B103 / B104 / B111 drop, shock, and vibration standards
- Flexible design:
- Internal soft-start and pre-bias startup
- 350kHz to 2.2MHz adjustable switching frequency
- Open-drain power-good output (RESET Pin)
- Programmable EN/UVLO threshold
- Robust operation:
- Hiccup overcurrent protection
- Overtemperature protection
- -40°C to +125°C ambient operating temperature range
- -40°C to +150°C junction temperature range
Applications
- Industrial sensors
- Programmable logic controller
- Battery-powered equipment
- HVAC and building control
- LDO replacement
Block Diagram
Videos
發佈日期: 2020-01-28
| 更新日期: 2024-04-18
