Analog Devices / Maxim Integrated MAXREFDES115 Power Supply Reference Designs

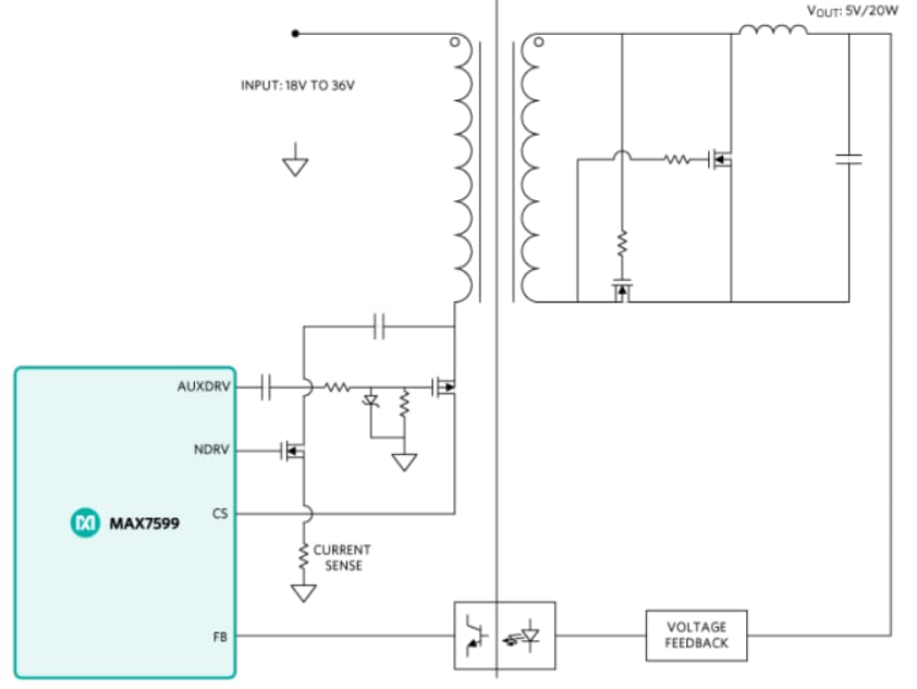
Analog Devices MAXREFDES115 Isolated Power Supply Reference Designs are isolated industrial power supply reference designs. These Analog Devices reference designs were designed and built by power supply experts. Each power supply efficiently converts 24V into useful voltage rails at various power levels. Every power rail is isolated with a readily available transformer from multiple global vendors, allowing quick, convenient transformer selection. Each design has been tested for load and line regulation, efficiency, and transient performance. The MAXREFDES115 is an efficient active clamp topology with a 24V input and a 5V output at 4A (20W) power. The design features the MAX17599, a low-IQ wide-input-range active-clamp current-mode PWM controller. This entire circuit fits on a 20mm x 55mm board.

Features

  • Analog Devices MAX17599, a low-IQ wide-input range active clamp current-mode PWM controller
  • Included Transformer
  • Functional Insulation
  • Compact and Flexible
  • Low Power Dissipation
  • Minimal External Components
  • Robust Operation in Adverse Industrial Environments
  • 5V at 4A Output with 20% Over-Range Current

Applications

  • PLCs
  • Industrial Process Control and Sensors
  • Telecom and Datacom Power Supplies

Block Diagram

Analog Devices / Maxim Integrated MAXREFDES115 Power Supply Reference Designs
發佈日期: 2016-09-01 | 更新日期: 2023-04-12