Analog Devices / Maxim Integrated TMC2225-BOB Breakout Board

Analog Devices Inc. TMC2225-BOB Breakout Board is a compact reference design board for the TMC2225 Stepper Driver. The TMC2225 provides an integrated motor driver solution for 3D printing, cameras, scanners, and other automated equipment applications. It features StealthChop silent drive technology, ensuring noiseless operation, maximum efficiency, and excellent motor torque.

The TMC2225-BOB Breakout Board includes a pre-installed Analog Devices TMC2225 Stepper Driver in an HTSSOP28 package, support circuitry, and status LEDs. It also features header rows, providing access to all key pin signals.

The TMC2225-BOB is designed to allow users to prototype their applications rapidly. This lets users immediately check how the motor performs with the TMC2225 while developing the application's software.

Features

  • TMC2225-SA stepper motor driver
  • 5V to 28V supply voltage
  • Iphase up to 1.4ARMS
  • Quiet operation with StealthChop™
  • Configuration and extended diagnostics via UART
  • Control via Step/Dir interface
  • Compact 1.0" x 1.0" PCB
  • 2x 10-pin 0.1" header rows for pin signals

Board Layout

Analog Devices / Maxim Integrated TMC2225-BOB Breakout Board

Schematic Diagram

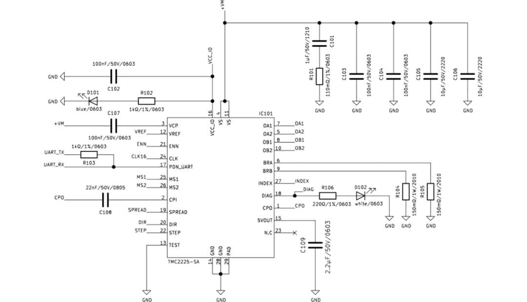
Schematic - Analog Devices / Maxim Integrated TMC2225-BOB Breakout Board

Videos

發佈日期: 2021-03-29 | 更新日期: 2026-02-03